|
|
D01451700C |

MEMORY PLAYER / INTERFACE
取扱説明書
V1.10
.jpg)
製品を安全に正しくお使いいただき、あなたや他の人々への危害や財産への損害を未然に防止するために、以下の注意事項をよくお読みください。
|
|
警告 |
以下の内容を無視して誤った取り扱いをすると、人が死亡または重傷を負う可能性が想定される内容を示しています。 |
|---|---|---|
|
電源プラグをコンセントから抜く |
万一、異常が起きたら 煙が出たり、変なにおいや音がするときは 機器の内部に異物や水などが入ったときは この機器を落としたり、カバーを破損したときは すぐに機器本体の電源スイッチを切り、必ず電源プラグをコンセントから抜いてください。 異常状態のまま使用すると、火災・感電の原因となります。 お買い上げの販売店またはティアック修理センター(巻末に記載)に修理をご依頼ください。 |
|
|
指示 |
電源プラグにほこりをためない 電源プラグとコンセントの周りにゴミやほこりが付着すると、火災・感電の原因となります。 定期的(年1回くらい)に電源プラグを抜いて、乾いた布でゴミやほこりを取り除いてください。 |
|
|
接地接続は、必ず主電源プラグを主電源に繋ぐ前に行ってください。また、接地接続を外す場合は、必ず主電源プラブを主電源から切り離してから行ってください。 |
||
|
禁止 |
電源コードを傷つけない 電源コードの上に重い物を載せたり、コードを壁や棚との間に挟み込んだり、本機の下敷きにしない 電源コードを加工したり、無理に曲げたり、ねじったり、引っ張ったり、熱器具に近付けて加熱したりしない コードが傷んだまま使用すると火災・感電の原因となります。 万一、電源コードが破損したら(芯線の露出、断線など)、お買い上げの販売店またはティアック修理センター(巻末に記載)に交換をご依頼ください。 |
|
|
付属の電源コードを他の機器に使用しない 故障、火災、感電の原因となります。 |
||
|
AC100-240V以外の電圧で使用しない 表示された電源電圧(AC100-240V、50/60Hz)以外の電圧で使用しないでください。また、船舶などの直流(DC)電源には接続しないでください。火災・感電の原因となります。 |
||
|
この機器を設置する場合は、放熱をよくするために、壁や他の機器との間は少し(20cm以上)離して設置する 隙間を空けないと内部に熱がこもり、火災の原因となります。 |
||
|
この機器の通風孔などから内部に金属類や燃えやすい物などを差し込む、または落とさない 火災・感電の原因となります。 |
||
|
この機器の通風孔をふさがない 通風孔をふさぐと内部に熱がこもり、火災の原因となります。 |
||
|
禁止 |
機器の上に花びんや水などが入った容器を置かない 内部に水が入ると火災・感電の原因となります。 |
|
|
分解禁止 |
この機器のカバーは絶対に外さない カバーを外す、または改造すると、火災・感電の原因となります。 内部の点検・修理は、お買い上げの販売店またはティアック修理センター(巻末に記載)にご依頼ください。 |
|
|
この機器を改造しない 火災・感電の原因となります。 |
||
|
注意 |
イヤホンやヘッドホンからの過度の音圧は、聴覚障害の原因となります。聴覚障害の可能性を防ぐために、長時間,高音量で聴かないでください。 |
|
|
|
注意 |
以下の内容を無視して誤った取り扱いをすると、人が傷害を負う可能性が想定される内容および物的損害のみの発生が想定される内容を示しています。 |
|
電源プラグをコンセントから抜く |
移動させる場合は、電源のスイッチを切るか、またはスタンバイにし、必ず電源プラグをコンセントから抜き、外部の接続コードを外す コードが傷つき、火災・感電の原因や、引っ掛けてけがの原因になることがあります。 |
|
|
旅行などで長期間この機器を使用しないときやお手入れの際は、安全のため必ず電源プラグをコンセントから抜く 通電状態の放置やお手入れは、漏電や感電の原因となることがあります。 |
||
|
指示 |
オーディオ機器を接続する場合は、各々の機器の取扱説明書をよく読み、電源を切り、説明にしたがって接続する また、接続は指定のコードを使用する |
|
|
電源を入れる前には、音量を最小にする 突然大きな音が出て、聴覚障害などの原因となることがあります。 |
||
|
この機器はコンセントの近くに設置し、電源プラグは簡単に手が届くようにする 異常が起きた場合は、すぐに電源プラグをコンセントから抜いて、完全に電源が切れるようにしてください。 |
||
|
この機器には、付属の電源コードを使用する それ以外の物を使用すると、故障、火災、感電の原因となります。 付属の電源コードは、125V以上では使用できません。 |
||
|
禁止 |
ぐらついた台の上や傾いた所など不安定な場所に置かない 湿気やほこりの多い場所に置かない。風呂、シャワー室では使用しない 調理台や加湿器のそばなど油煙や湯気が当たる場所に置かない 火災・感電やけがの原因となることがあります。 |
|
|
電源プラグを抜くときは、電源コードを引っ張らない コードが傷つき、火災・感電の原因となることがあります。 必ずプラグを持って抜いてください。 |
||
|
禁止 |
濡れた手で電源プラグを抜き差ししない 感電の原因となることがあります。 |
|
|
注意 |
5年に1度は、機器内部の掃除をお買い上げの販売店またはティアック修理センター(巻末に記載)にご相談ください。 内部にほこりがたまったまま、長い間掃除をしないと火災や故障の原因となることがあります。 特に、湿気の多くなる梅雨期の前に行うと、より効果的です。なお、掃除費用については、ご相談ください。 |
|
本機は、電池を使用しています。誤って使用すると、発熱、発火、液漏れなどを避けるため、以下の注意事項を必ず守ってください。
|
|
警告 |
乾電池に関する警告 |
|---|---|---|
|
禁止 |
乾電池は絶対に充電しない 破裂、液漏れにより、火災・けがの原因となります。 |
|
|
|
警告 |
電池に関する警告 |
|---|---|---|
|
強制 |
電池を入れるときは、極性表示(プラスとマイナスの向き)に注意し、電池ケースに表示されている通りに正しく入れる 間違えると電池の破裂、液漏れにより、火災・けがや周囲を汚損する原因となることがあります。 |
|
|
長時間使用しないときは電池を取り出しておく 液が漏れて火災・けが、周囲を汚損する原因となることがあります。もし液が漏れた場合は、電池ケースに付いた液をよく拭き取ってから新しい電池を入れてください。また、万一漏れた液が身体に付いたときは、水でよく洗い流してください。 |
||
|
禁止 |
指定以外の電池は使用しない 新しい電池と古い電池、または種類の違う電池を混ぜて使用しない 破裂、液漏れにより、火災・けがや周囲を汚損することがあります。 |
|
|
炎天下の車内や暖房器具のそばなど、温度が高くなるところで保管しない 本体の変形によるショートや発火、故障、電池の劣化の原因となります。 |
||
|
|
注意 |
電池に関する注意 |
|
禁止 |
金属製の小物類と一緒に携帯、保管しない ショートして液漏れや破裂などの原因となることがあります。 |
|
|
分解禁止 |
分解しない 電池内の酸性物質により、皮膚や衣服を損傷する恐れがあります。 |
|
|
注意 |
保管や廃棄をする場合は、他の電池や金属の物と接触しないようにテープなどで端子を絶縁してください。 |
|
|
使い終わった電池は、電池に記載された廃棄方法、もしくは各市町村の廃棄方法にしたがって捨ててください。 |
||
このたびは、TASCAM : MEMORY PLAYER / INTERFACE MP-800Uをお買い上げいただきまして、誠にありがとうございます。
ご使用になる前に、この取扱説明書をよくお読みになり、正しい取り扱い方法をご理解いただいた上で、末永くご愛用くださいますようお願い申し上げます。お読みになったあとは、いつでも見られる所に保管してください。
また取扱説明書は、TASCAMのウェブサイトからダウンロードすることができます。
|
|
MP-800U |
SDカード / USBメモリーからのMP3、AAC、WAVファイル再生が可能
スマートフォン・タブレットなどのBluetooth機器からの音楽再生が可能1)
ワイドFMに対応したFMチューナーを搭載
パソコンの音声をUSBオーディオ経由で出力可能
アナログ出力はXLRバランス端子とRCAアンバランス端子の2系統を装備
次のトラックの先頭にトランスポートするインクリメンタルプレー機能
トラックの音の立ち上がりをサーチして一時停止するオートキュー機能
トラックの再生後に次のトラックの頭で一時停止するオートレディ機能
フェードイン / フェードアウト再生機能
+ / -16%のピッチコントロール機能
音程を変えずに再生スピードを変えるキーオリジナル機能
電源投入で自動的に再生するパワーオンプレー機能
Ethernet(Telnet)経由の外部制御に対応2)
フェーダースタート / イベントスタートに対応
アプリから本体のリモートコントロールが可能1) 3)
RCAアンバランスのチューナー専用出力端子を装備
10キーパッドまたは専用リモコンによるSD / USBのダイレクトトラックサーチ機能
本体操作を無効にし、運用中の安全性を向上させるパネルロック機能
ヘッドホン出力端子を装備し、音声のモニターが可能
1Uラックマウントサイズ
1 別売のBluetooth®アダプター AK-BT2が必要です。
2 別売のEthernetコントロールカード IF-E100が必要です。
3 無償のiOS / Androidアプリ TASCAM MEDIA CONTROL CENTERが必要です。
|
ここに記載されております製品に関する情報、諸データは、あくまで一例を示すものであり、これらに関します第三者の知的財産権、およびその他の権利に対して、権利侵害がないことの保証を示すものではございません。したがいまして、上記第三者の知的財産権の侵害の責任、またはこれらの製品の使用により発生する責任につきましては、弊社はその責を負いかねますのでご了承ください。 |
|
第三者の著作物は、個人として楽しむなどのほかは、著作権法上権利者に無断で使用できません。装置の適正使用をお願いします。弊社では、お客様による権利侵害行為につき一切の責任を負担致しません。 |
本製品の構成は、以下の通りです。
開梱は本体に損傷を与えないよう慎重に行ってください。梱包箱と梱包材は、後日輸送するときのために保管しておいてください。
付属品が不足している場合や輸送中の損傷が見られる場合は、お買い上げの販売店にお問い合わせください。
本体 x 1
電源コード x 1 (3P 保護接地付、1.8m)
3P-2P変換アダプター x 1 (電源コードに接続)
ワイヤレスリモコン(TASCAM RC-MP800) x 1
単4形乾電池 x 2
FMアンテナ x 1
ラックマウントキット
取り付けネジ x 4
ワッシャー x 4
TASCAM ID登録ガイド x 1
取扱説明書 基本動作編(保証書付き) x 1
本書では、以下のような表記を使います。
ディスプレーに表示される文字を Menu のように表記します。
「SD / SDHC / SDXCメモリーカード」のことを「SDカード」と表記します。
「USBフラッシュドライブ」のことを「USBメモリー」と表記します。
現在選択中の入力ソースのことを「カレントソース」と表記します。
現在選択中のフォルダーのことを「カレントフォルダー」と表記します。
本機とBluetoothで接続するスマートフォン、タブレット、パソコンなどを「Bluetooth機器」と表記します。
必要に応じて追加情報などを、「ヒント」、「メモ」、「注意」として記載します。
ヒント
本機をこのように使うことができる、といったヒントを記載します。
メモ
補足説明、特殊なケースの説明などをします。
注意
指示を守らないと、人がけがをしたり、機器が壊れたり、データが失われたりする可能性がある場合に記載します。
TASCAMおよびタスカムは、ティアック株式会社の登録商標です。
SDXCロゴは、SD-3C, LLC の商標です。

MPEG Extended HE-AAC software licensed from Fraunhofer IIS.
https://www.iis.fraunhofer.de/audio
その他、記載されている会社名、製品名、ロゴマークは各社の商標または登録商標です。
本機では、SDカード / USBメモリーを使って再生を行うことができます。別途ご用意ください。
本機にて動作が確認されたSDカード / USBメモリーのリストが、TASCAMのウェブサイトに掲載されています。
https://tascam.jp/int/product/mp-800u/docs
本機の製品ページをご参照ください。もしくは、タスカム カスタマーサポートまでお問い合わせください。
SDカード / USBメモリーは精密にできています。
SDカード / USBメモリーの破損を防ぐため、取り扱いに当たって以下の点をご注意ください。
極端に温度の高い、あるいは低い場所に放置しないこと。
極端に湿度の高い場所に放置しないこと。
濡らさないこと。
上に物を載せたり、ねじ曲げたりしないこと。
衝撃を与えないこと。
録音、再生状態やデータ転送などアクセス中に、抜き差しを行わないこと。
持ち運ぶ際、メモリーカードケースなどに入れて運ぶこと。
|
※長年ご使用になっていない、または、すでに長時間使用された媒体、カビ・汚れ・ベタつき・折れ・捻じれなどが見られる媒体のご使用は、避けてください。
※万が一の場合に備えて、あらかじめデータのバックアップの作成等、お客様にてデータの保存や保護措置を講じられることをお勧めいたします。 |
本製品には、以下の部品は含まれておりません。
ご使用の用途に合わせて、必要なものを別途お買い求めください。
本機とパソコン( Windows / Mac)を接続する場合、別途USBケーブル(USB-IF認証品を推奨)を用意する必要があります。
本機はUSB Type-C端子を装備しています。
お使いのパソコンのUSB端子に合ったUSB ケーブルをご用意ください。
充電用USBケーブルは、使用できません。
USB Type-A端子のUSB Flash Drive端子とパソコンを接続しても音声を出力することはできません。
USB Type-C端子を搭載するパソコンと接続する
市販のType-C - Type-Cケーブルが必要です。
USB Type-A端子を搭載するパソコンと接続する
市販のType-A - Type-Cケーブルが必要です。
AK-BT2 を本体に装着することで、スマートフォン・タブレットなどのBluetooth機器の音声を再生するこが可能です。
また、専用アプリ「TASCAM MEDIA CONTROL CENTER」によるワイヤレスリモートコントロールも可能になります。
EthernetコントロールカードTASCAM IF-E100について
IF-E100を本体に装着し、ネットワークに接続することで、ネットワーク上のパソコンなどからTelnetコマンドを使って本機のリモートコントロールが可能になります。
使い方についてはIF-E100の取扱説明書と、MP-800UのTELNET プロトコル仕様書をご参照ください。
本機の動作保証温度は、摂氏0度〜40度です。
次のような場所に設置しないでください。音質悪化の原因、または故障の原因となります。
振動の多い場所
窓際などの直射日光が当たる場所
暖房器具のそばなど極端に温度が高い場所
極端に温度が低い場所
湿気の多い場所や風通しが悪い場所
ほこりの多い場所
本機は、水平に設置してください。
放熱をよくするために、本機の上には物を置かないでください。
パワーアンプなど熱を発生する機器の上に本機を置かないでください。
本機をラックにマウントする場合は、付属のラックマウントビスキットを使って、下図のように取り付けてください。

付属の電源コードをAC IN端子に奥までしっかりと差し込んでください。
この機器は、AC 100-240 V(50 / 60 Hz)の電源電圧で使用可能です。
電源コードの抜き差しは、プラグを持って行ってください。
注意
付属の電源コードは、定格電圧AC 125 Vです。125 V以上では、使用できません。
接続するコンセントが2Pのとき付属の3P-2P変換アダプターご使用ください。
3P-2P変換アダプターのアースリード線は必ず接地用端子へ接続して下さい。

本機を寒い場所から暖かい場所へ移動したときや、寒い部屋を暖めた直後など、気温が急激に変化すると結露を生じることがあります。
結露したときは、約1〜2時間放置してから電源を入れてお使いください。
製品の汚れは、柔らかい乾いた布で拭いてください。化学ぞうきん、ベンジン、シンナー、アルコールなどで拭かないでください。表面を傷める、または色落ちさせる原因となります。
この製品には、保証書が添付(巻末に記載)されています。大切に保管してください。万が一販売店の捺印やご購入日の記載がない場合は、無料修理保証の対象外になりますので、ご購入時のレシートなどご購入店・ご購入日が確認できる物を一緒に保管してください。
保証期間は、お買い上げの日より1年です。保証期間中は、記載内容によりティアック修理センター(巻末に記載)が無償修理致します。その他の詳細については、保証書をご参照ください。
保証期間経過後、または保証書を提示されない場合の修理などについては、お買い上げの販売店またはティアック修理センター(巻末に記載)にご相談ください。修理によって機能を維持できる場合は、お客様のご要望により有料修理致します。
万一、故障が発生した場合は使用を中止し、必ず電源プラグをコンセントから抜いて、お買い上げの販売店またはティアック修理センター(巻末に記載)までご連絡ください。修理を依頼される場合は、次の内容をお知らせください。
なお、本機の故障、もしくは不具合により発生した付随的損害(録音内容などの補償)の責については、ご容赦ください。
本機を使ったSDカード / USBメモリーなどの記録内容を消失した場合の修復に関しては、補償を含めて当社は責任を負いかねます。
型名、型番(MP-800U)
製造番号(Serial No.)
故障の症状(できるだけ詳しく)
お買い上げの年月日
お買い上げの販売店名
お問い合わせ先については、巻末をご参照ください。
本機を廃棄する場合に必要となる収集費などの費用は、お客様のご負担になります。
.jpg)
POWERスイッチ
電源のオン / オフを行います。
注意
本機が動作中(再生中など)には、電源をオフにしないでください。
データが破損したり、モニター機器から突然大きな音が出て、機器の破損や聴力障害の原因になるなどの可能性があります。
電源を入れる前には、接続機器の音量を最小にしてください。
突然大きな音が出て、聴力障害などの原因となることがあります。
1 [LOCK] ボタン
カレントソースが USB / SDのときに押すと、トラック番号を指定する「 1 」が入力されます。(→ 「トラックを直接指定する」)
カレントソースが FM のときに押すと、プリセット番号を指定する「 1 」が入力されます。
SHIFT ボタンを押しながら押すと、パネルロック機能(誤操作防止のために、ボタン操作を受け付けなくする機能)をオン / オフします。(→ 「パネルロック機能」)
メモ
本体の数字ボタン(1 [LOCK] ボタン〜0 [DUB] ボタン)を使ってトラック番号を指定して選曲することができます。トラック番号は、最大3桁です。(→ 「トラックを直接指定する」)
SHIFT ボタンを押しながら数字ボタンを押すと、ボタンの下に白抜きで表示されている機能の設定の変更を行います。
2 [P.O.PLAY] ボタン
カレントソースが USB / SDのときに押すと、トラック番号を指定する「 2 」が入力されます。(→ 「トラックを直接指定する」)
カレントソースが FM のときに押すと、プリセット番号を指定する「 2 」が入力されます。
SHIFT ボタンを押しながら押すと、パワーオンプレー機能をオン / オフします。(→ 「パワーオンプレー」)
3 [P. MODE] ボタン
カレントソースが USB / SDのときに押すと、トラック番号を指定する「 3 」が入力されます。(→ 「トラックを直接指定する」)
カレントソースが FM のときに押すと、プリセット番号を指定する「 3 」が入力されます。
カレントソースが USB / SDのときにSHIFT ボタンを押しながら押すと、再生モード(連続再生、シングル再生、ランダム再生)を切り換えます。(→ 「再生モード」)
4 [REPEAT] ボタン
カレントソースが USB / SDのときに押すと、トラック番号を指定する「 4 」が入力されます。(→ 「トラックを直接指定する」)
カレントソースが FM のときに押すと、プリセット番号を指定する「 4 」が入力されます。
カレントソースが USB / SD のときにSHIFT ボタンを押しながら押すと、リピート再生機能のオン / オフします。(→ 「通常のリピート再生の設定」)
5 [A-B REP] ボタン
カレントソースが USB / SDのときに押すと、トラック番号を指定する「 5 」が入力されます。(→ 「トラックを直接指定する」)
カレントソースが FM のときに押すと、プリセット番号を指定する「 5 」が入力されます。
カレントソースが USB / SDのときにSHIFT ボタンを押しながら押すと、A-Bリピート機能の支点(A)と終点(B)を設定します。(→ 「A-Bリピート再生の設定」)
6 [A. PRESET] ボタン
カレントソースが USB / SDのときに押すと、トラック番号を指定する「 6 」が入力されます。(→ 「トラックを直接指定する」)
カレントソースが FM のときに押すと、プリセット番号を指定する「 6 」が入力されます。
カレントソースが FM のときにSHIFT ボタンを押しながら押すと、放送局を自動でプリセットします。(→ 「放送局を自動でプリセットする」)
7 [M.PRESET] ボタン
カレントソースが USB / SDのときに押すと、トラック番号を指定する「 7 」が入力されます。(→ 「トラックを直接指定する」)
カレントソースが FM のときに押すと、プリセット番号を指定する「 7 」が入力されます。
カレントソースが FM のときにSHIFT ボタンを押しながら押すと、放送局を手動でプリセットします。(→ 「放送局を手動でプリセットする」)
8 [FM MODE] ボタン
カレントソースが USB / SDのときに押すと、トラック番号を指定する「 8 」が入力されます。(→ 「トラックを直接指定する」)
カレントソースが FM のときに押すと、プリセット番号を指定する「 8 」が入力されます。
カレントソースが FM のときにSHIFT ボタンを押しながら押すと、FM放送受信時のステレオとモノラルを切り換えます。(→ 「FMモードを設定する」)
9 [P. AREA] ボタン
カレントソースが USB / SDのときに押すと、トラック番号を指定する「 9 」が入力されます。(→ 「トラックを直接指定する」)
カレントソースが FM のときに押すと、プリセット番号を指定する「 9 」が入力されます。
カレントソースが USB / SD のときにSHIFT ボタンを押しながら押すと、再生対象を設定します。(→ 「再生対象を設定する」)
0 [
輝度調節] ボタン
カレントソースが USB / SDのときに押すと、トラック番号を指定する「 0 」が入力されます。(→ 「トラックを直接指定する」)
カレントソースが FM のときに押すと、プリセット番号を指定する「 0 」が入力されます。
SHIFT ボタンを押しながら押すと、ディスプレーの輝度を調節できます。(→ 「ディスプレーの輝度を調節する」)
DISPLAY ボタン
再生中に押すと、各種情報を表示します。(→ 「時間や文字情報の表示」)
本機では、RDS機能およびINFO機能は使用できません。
ディスプレー
各種情報を表示します。
HOME / MENU ボタン
ホーム画面を表示中に押すと Menu 画面を表示します。(→ 「メニューの構成」)、(→ 「Menu画面の基本操作」)
Menu 画面およびメニュー項目の設定画面を表示中に押すと、ホーム画面に戻ります。
MULTI JOG ダイヤル
このダイヤルは、回して使うホイール機能と押して使うボタン機能を兼ね備えています。
[ホイール機能]
カレントソースがUSB / SD のときにMULTI JOG ダイヤルを回すと、トラックをスキップします。(→ 「前後のトラックにスキップする」)
オートキュー機能の設定により、選択後の動作が変わります。(→ 「オートキュー機能」)
カレントソースがUSBまたはSDで、再生対象が「フォルダー(アイコン表示)」のときにBACKボタンを押すと、BROWSE表示中になります。このときにMULTI JOGダイヤルを回すと、トラックまたはフォルダーを移動します。(→ 「フォルダー・トラック間の移動」)
カレントソースがFMのときにMULTI JOGダイヤルを回すと、受信周波数を変更します。(→ 「受信する放送局を選択する」)
カレントソースがFMで、プリセットモードのときにMULTI JOGダイヤルを回すと、手前または次のプリセット番号に移動します。(→ 「放送局をプリセットする」)
Menu 画面表示中、メニュー項目の選択や設定値の選択を行います。(→ 「Menu画面の基本操作」)
[ボタン機能]
Menu画面表示中、選択や設定を確定します(ENTER ボタン機能)。
リモコン受光部
付属のワイヤレスリモコン(TASCAM RC-MP800)の信号を受信します。リモコンを使用するときは、リモコンの先端をこちらに向けて操作してください。
PHONES端子 / つまみ
ステレオヘッドホンを接続するためのステレオ標準ジャックです。
ミニプラグのヘッドホンを接続する場合は、市販の変換アダプターをご使用ください。
PHONESつまみでヘッドホン出力レベルを調節します。
PHONES端子からの出力は、 A.Out Att. 設定画面の設定により-18 dBまで1 dB刻みで下げることができます。(→ 「出力レベルを調節する」)
注意
ヘッドホンを接続する前には、PHONESつまみで音量を最小にしてください。突然大きな音が出て、聴力障害などの原因となることがあります。
REMOTE端子(φ2.5mm TRSジャック)
別売の専用ダイレクトプレーリモコン(TASCAM RC-20)を接続します。リモコンによるダイレクト再生、停止などの操作が可能になります。
USB AUDIO STREAM 端子
Type-C のUSBポートです。
市販のUSBケーブルを使って、パソコンと接続することで、それらの音声を本機から出力できます。(→ 「第8章 USBオーディオ・ストリーム機能」)
USB FLASH DRIVE 端子(USBメモリー用)
Type-A のUSB ポートです。
USBメモリーを挿入 / 取り外します。(→ 「USBメモリーを挿入する / 取り外す」)
このポートはUSBメモリー専用です。パソコンを接続しても音声を出力することはできません。
Bluetooth ADAPTER PORT
(Bluetooth機器接続)端子
別売の専用Bluetooth アダプター(TASCAM AK-BT2)を接続します。
SDカードスロット
SDカードを挿入するカードスロットです。(→ 「SDカードを挿入する / 取り出す」)
CLEAR ボタン
カレントソースが USB / SD のとき、数字ボタンを使って入力した値をクリアします。
ホーム画面に警告メッセージを表示したときに押すと、メッセージを消去しホーム画面に戻します。
カレントソースが FM のときに押し続けると、プリセットしたメモリーを消去します。(→ 「プリセットしたメモリーを消去する」)
SHIFT ボタン / インジケーター
このボタンを押している間シフトモードになり、インジケーターが点灯します。シフトモード中は、各ボタンがシフト機能(青色)に変わります。
SOURCE ボタン
カレントソースを切り換えるためのSource Select 画面が表示されます。(→ 「再生するソースを選択する」)
BACK [PAIRING] ボタン
Menu 画面を表示中に押すと、ホーム画面に戻ります。
Menu 画面の設定画面を表示中に押すと、1つ上のメニュー階層に移動します。
カレントソースが USB / SD で、再生対象が「フォルダー(
アイコン表示)」のときに押すと、トラックまたはフォルダーを選択できるBrowse表示になります。Browse表示中はフォルダーを1つ上の階層に移動します。(→ 「再生対象」)
カレントソースが BLUETOOTH のときに押し続けると、Bluetoothのペアリングモードになります。Bluetoothが接続されている( Connected が表示)ときに押すと、接続を強制的に切断します。(→ 「ペアリング」)
PITCH ボタン / インジケーター
このボタンを押すと、ピッチコントロール機能の設定を行うピッチコントロール画面を表示します。
ピッチコントロール機能がオンになるとインジケーターが点灯します。(→ 「ピッチコントロール機能」)
STOP ボタン
再生を停止します。
インクリメンタルプレー機能がオンの場合に、再生中にこのボタンを押すと、次のトラックの先頭で再生待機になります。(→ 「インクリメンタルプレー機能」)
カレントソースが FM のとき、周波数モードとプリセット選択モードを切り換えます。(→ 「受信周波数を変更する」)
PLAY ボタン / インジケーター
停止中または再生待機中に押すと、再生を開始します。
インクリメンタルプレー機能の設定がオンのときに、再生中にこのボタンを押すと次の曲の再生を始めます。(→ 「インクリメンタルプレー機能」)
再生中は、インジケーターが点灯します。(再生ソースがBluetoothの場合、インジケーターは点灯しません)
PAUSE ボタン/インジケーター
再生中に押すと、再生待機状態になります。
停止中に押すと、オートキュー機能がオンのときはトラック1 の音声立ち上がりポイントで再生待機状態、オートキュー機能がオフのときはトラック1の先頭で再生待機状態になります。
再生待機状態になるとインジケーターが点灯します。(再生ソースがBluetoothの場合、インジケーターは点灯しません)
/
[FAST] [A.CUE] [A.READY]ボタン
このボタンを押している間、早戻し / 早送りサーチを行います。(→ 「早戻し / 早送りサーチ」)
カレントソースが USB / SDで、早戻し / 早送りサーチ中に逆方向の
ボタンまたは
ボタンを押し続けると高速早戻し / 早送りサーチを行います。(→ 「早戻し / 早送りサーチ」)
カレントソースが FM のときに押すと、周波数モードの受信周波数をオートサーチします。(→ 「受信周波数を変更する」)
SHIFT ボタンを押しながら
ボタンを使ってオートキュー機能のオン / オフを設定します。(→ 「オートキュー機能」)
SHIFT ボタンを押しながら
ボタンを使ってオートレディ機能のオン / オフを設定できます。(→ 「オートレディ機能」)
.jpg)
ANTENNA : FM端子
付属のFMアンテナを接続します。
アンテナを伸ばし、受信状態が最もよくなる位置の窓枠や壁などにアンテナを固定してください。
TUNER OUT端子
チューナーからの音を常に出力する、アナログ出力端子(RCAピンジャック)です。
規定出力レベルは、-10 dBV(初期値)のほか、-10 dBV(チューナー出力レベル設定 : OFF)から-28 dBV(チューナー出力レベル設定 : -18 dB)まで、1 dB刻みで下げることができます。(→ 「出力レベルを調節する」)
CONTROL : IN / OUT端子
ステレオミニジャックのコントロール用I / O端子です。
スイッチや表示用LEDなどを接続します。(→ 「コントロールIN / OUT端子を使う」)
オプションスロット
別売のEthernetカードを搭載するためのカードスロットです。
ANALOG OUT(UNBALANCED)L / R端子
アナログ出力端子(RCAピンジャック)です。
規定出力レベルは、-10 dBV(初期値)のほか、-10 dBV(アナログ出力レベル設定: OFF )から-28 dBV(アナログ出力レベル設定: -18dB )まで1 dB刻みで下げることができます。(→ 「出力レベルを調節する」)
ANALOG OUT(BALANCED)L / R端子
アナログ出力端子(XLRバランス)です。
規定出力レベルは、+4 dBu(初期値)のほか、+4 dBu(アナログ出力レベル設定: OFF)から-14 dBu(アナログ出力レベル設定: -18 dB)まで1 dB刻みで下げることができます。(1:GND、2:HOT、3:COLD)、(→ 「出力レベルを調節する」)
AC IN端子
付属の電源コードを接続します。
.jpg)
HOME / MENU ボタン
本体のHOME / MENU ボタンと同じ働きをします。
ボタン
本体のPLAY ボタンと同じ働きをします。
ボタン
本体のSTOP ボタンと同じ働きをします。
REPEAT ボタン
リピート再生機能のオン / オフします。(→ 「通常のリピート再生の設定」)
/
ボタン
このボタンを押している間、早戻し / 早送りサーチを行います。(→ 「早戻し / 早送りサーチ」)
カレントソースが FM のときに押すと、周波数モードの受信周波数をオートサーチします。(→ 「受信周波数を変更する」)
/
ボタン
カレントソースが USB / SD で、再生対象が「フォルダー(
アイコン表示)」のときに
ボタンを押すと、トラックまたはフォルダーを選択できるBrowse表示になります。Browse表示中はフォルダーを1つ上の階層に移動します。(→ 「再生対象」)
カレントソースが FM のときに
/
ボタンを押すと、プリセット番号を選択します。
Menu 画面の設定画面を表示中に
ボタンを押すと、1つ上のメニュー階層に移動します。

ボタンを押すと、リモコンのENTER ボタンと同じ働きをします。
数字ボタン(0〜9 ボタン)
カレントソースが USB / SD のとき、数字ボタンを使ってトラック番号を指定して選曲することができます。(→ 「トラックを直接指定する」)
カレントソースが FM のときに押すと、プリセットした放送局を呼び出します。
PRESET ボタン
カレントソースが FM のときに押すと、放送局を手動でプリセットします。(→ 「放送局を手動でプリセットする」)
カレントソースが FM のときに押し続けると、放送局を自動でプリセットします。(→ 「放送局を自動でプリセットする」)
PITCH ON / OFF ボタン
ピッチコントロール機能のオン / オフを切り換えます。
PITCH + / - ボタン
ピッチコントロールの値を設定します。
SOURCE ボタン
本体のSOURCE ボタンと同じ働きをします。(→ 「再生するソースを選択する」)
ボタン
本体のPAUSE ボタンと同じ働きをします。
DISPLAY / RDS / INFO [PAIRING] ボタン
再生中に押すと、各種情報を表示します。(→ 「時間や文字情報の表示」)
カレントソースが BLUETOOTH のときに押し続けると、Bluetoothのペアリングモードになります。ペアリング中に押すと、ペアリングモードを中止します。(→ 「ペアリング」)
本機では、RDS機能およびINFO機能は使用できません。
/
[
/
] ボタン
カレントソースが USB / SD のときに押すと、トラックをスキップします。(→ 「前後のトラックにスキップする」)
オートキュー機能の設定により、選択後の動作が変わります。(→ 「オートキュー機能」)
カレントソースが USB / SD で、再生対象が「フォルダー(
アイコン表示)」のときに押すと、トラックまたはフォルダーを移動します。(→ 「再生対象」)
カレントソースが FM のときに押すと、受信周波数を変更します。(→ 「受信する放送局を選択する」)
Menu 画面表示中、メニュー項目の選択や設定値の選択を行います。(→ 「Menu画面の基本操作」)
ENTER ボタン
Menu画面表示中、選択や設定を確定します。
A-B REP ボタン
カレントソースが USB / SD のときに押すと、A-Bリピート機能の支点(A)と終点(B)を設定します。(→ 「A-Bリピート再生の設定」)
P.MODE ボタン
再生モード(連続再生、シングル再生、ランダム再生)を切り換えます。(→ 「再生モード」)
P.AREA ボタン
カレントソースが USB / SD のときに押すと、再生対象を設定します。(→ 「再生対象を設定する」)
A.CUE ボタン
オートキュー機能のオン / オフ設定を行います。
CLEAR ボタン
本体のCLEAR ボタンと同じ働きをします。
A.READY ボタン
オートレディ機能のオン / オフを切り換えます。
|
|
|
[ホーム画面・USB / SD 選択時の表示] |
|
|
|
[ホーム画面・Bluetooth 選択時の表示] |
|
|
|
[ホーム画面・FM 選択時の表示] |
|
|
|
[ホーム画面・AUDIO STREAM 選択時の表示] |
カレントソース表示
現在選択中の入力ソース名を表示します。(→ 「再生するソースを選択する」)
再生モード・リピート状態表示
再生モードとリピートモードを表示します。
再生ファイル形式の状態表示
カレントソースが USB / SD のときは、再生するファイル形式を表示します。
各再生機能の設定状態設定部
現在のオンになっている再生機能を表示します。
C : オートキュー機能がオンのときに表示
R : オートレディ機能がオンのときに表示
P : パワーオンプレー機能がオンのときに表示
PITCH表示部(ピッチコントロール)
ピッチコントロール機能がオンのとき、ピッチの設定値が表示されます。(→ 「ピッチコントロール機能」)
トラック番号表示
再生中のトラック番号を表示します。
トラック先頭からの経過時間表示
現在のトラックの先頭からの経過時間(時:分:秒)を表示します。
接続状況表示
カレントソースが、「BLUETOOTH」のとき、Bluetooth機器との接続状況、およびメッセージを表示します。
カレントソースが、「AUDIO STREAM」のとき、パソコンとの接続状況、およびメッセージを表示します。
FMモード表示
カレントソースが、「FM」のとき、ステレオで受信しているかモノラルで受信しているかを表示します。
|
表示 |
内容 |
|
なし |
ステレオで受信できません。モノラルで受信しています。 |
|
STEREO |
ステレオで受信しています。 |
|
MONO |
FMモードがMONOに設定されているため、モノラルで受信しています。 |
プリセット番号表示
カレントソースが FM でプリセットモードのとき、プリセットされた番号を表示します。
受信周波数表示
カレントソースが FM のとき、受信周波数を表示します。
本体のHOME / MENU ボタンまたはリモコンのMENU ボタンを押すと、 Menu 画面が表示されます。
各メニュー項目は、以下の通りです。
|
メニュー項目 |
機能 |
参照ページ |
|
APS Setting |
オートパワーセーブ機能の設定 |
|
|
A.Out Att. |
アナログ出力アッテネーション機能の設定 |
|
|
Tuner Out Att. |
チューナー出力アッテネーション機能の設定 |
|
|
Resume Setting |
リジューム再生機能の設定 |
|
|
CALL Mode |
コール機能のオン/オフ設定 |
|
|
Inc. Play |
インクリメンタルプレー機能の設定 |
|
|
Auto Cue Level |
オートキューレベルの設定 |
|
|
Fade-in |
フェードイン時間の設定 |
|
|
Fade-out |
フェードアウト時間の設定 |
|
|
Key Original |
キーオリジナル機能の設定 |
|
|
Tuner Out Sel. |
チューナーの放送音声の出力先設定 |
|
|
Information |
本体情報を表示 |
|
|
IR Remote Lock |
赤外線リモコンロック機能の設定 |
|
|
BT Remote Lock |
Bluetoothリモコンロック機能の設定 |
|
|
BT Password |
Bluetoothリモコン接続時のパスワードの設定 |
|
|
Control I / O |
コントロール機能の選択設定 |
|
|
Network Set. (別売イーサネットコントロールカード「IF-E100」装着時) |
ネットワークの設定 |
詳細は「IF-E100」の取扱説明書をご参照ください |
|
Factory Preset |
工場出荷時の設定に戻す |
メモ
各メニュー項目で設定した内容は、電源をオフにしても保持されます。
Menu 画面の操作は、以下の操作で行います。
項目を選択する(画面の縦方向の選択)には:
本体のMULTI JOG ダイヤルを回します。
リモコンの
/
[
/
] ボタンを押します。
選択した項目を確定するには:
本体のMULTI JOG ダイヤルを押します。
リモコンのENTER ボタンを押します。
画面に表示されていないサブ画面に進むには:
本体のMULTI JOG ダイヤルを押します。
リモコンのENTER ボタンを押します。
サブ画面で項目を選択するには:
本体のMULTI JOG ダイヤルを回します。
リモコンの
/
[
/
] ボタンを押します。
メニュー階層を1つ戻るには:
本体のBACK [PAIRING] ボタンを押します。
リモコンの
ボタンを押します。
Menu画面表示中、直接ホーム画面に戻るには:
本体のHOME / MENU ボタンを押します。
アナログ出力アッテネーション機能の設定を例に説明します。
1.本体のHOME / MENU ボタンまたはリモコンのMENU ボタンを押して、 Menu 画面を表示します。
|
|
|
[ APS Setting メニュー項目表示時] |
2.本体のMULTI JOG ダイヤルを回す、またはリモコンの
/
[
/
] ボタンを押して、設定する項目を選択します。
|
|
|
[ A.Out Att. 選択時] |
3.本体のMULTI JOG ダイヤルまたはリモコンのENTER ボタンを押して、各種設定画面を表示します。
|
|
|
[ A.Out Att. 画面を表示] |
4.本体のMULTI JOG ダイヤルを回す、またはリモコンの
/
[
/
] ボタンを押して、設定を変更します。
5.本体のMULTI JOG ダイヤルまたはリモコンのENTER ボタンを押して、設定を確定し Menu 画面に戻ります。
6.必要に応じて、手順2. ~ 5.を繰り返して、各項目を設定します。
7.本体のBACK [PAIRING] ボタンまたはリモコンの
ボタンを押して、ホーム画面に戻ります。
以下に、MP-800Uの接続例を示します。
接続前の注意
接続を行う前に、外部機器の取扱説明書をよくお読みになり、正しく接続してください。
本機および接続する機器の電源を全てオフまたはスタンバイ状態にします。
各機器の電源は、同一のラインから供給するように設置します。テーブルタップなどを使う場合は、電源電圧の変動が少なくなるように、電流容量が大きい太いケーブルをご使用ください。

1.裏側の蓋を開けます。
2.
、
の向きに注意して、単4形乾電池を2本挿入します。
3.蓋を閉めます。

操作範囲が狭くなった、または操作ボタンを押しても動作しない場合は、2本同時に新しい乾電池に交換してください。
乾電池を誤って使用すると、液漏れや破裂などの原因となることがあります。乾電池の注意表示をよく見てご使用ください。(→ 「電池の取り扱いについて」)
各ボタンの機能は、「ワイヤレスリモコン(TASCAM RC-MP800)」をご参照ください。
リモコン使用時は、下記に示す範囲内でリモコンを本機受光部に向けて操作してください。

リモコン動作範囲
正面 :5m
上下左右 :±15度 5m
注意
障害物があると、操作できないことがあります。
長い間(1ヶ月以上)リモコンを使用しないときは、電池を取り出してください。
液漏れを起こしたときは、ケース内に付いた液をよく拭き取ってから新しい電池を入れてください。
赤外線によりコントロールするその他の機器を使用時に、本機のリモコンを操作すると、その機器を誤動作させることがあります。
1.本機の電源を切る。
2.セキュリティービスをプラスドライバーで取り外し、Bluetooth ADAPTER PORT(
)のカバーを開ける。

3.ダミープラグ(
)を取り外す。

4.BluetoothアダプターAK-BT2(
)をBluetooth ADAPTER PORTに差し込む。(AK-BT2の端子が下側になるよう差し込む。)
5.Bluetooth ADAPTER PORT(
)のカバーを閉める。
カバーを"カチッ"というまで、上げてください。

セキュリティービスを使ってBluetoothアダプターポートのカバーをロックすることができます。
セキュリティービスの取り付け / 取り外しは、プラスドライバーを使って行ってください。

フロントパネルのPOWERスイッチを押します。
|
|
|
[起動画面] |
|
|
|
[ホーム画面] |
本機が起動し、起動画面が表示されたあとホーム画面になります。
電源をオフにするには
特別な終了動作は不要です。
POWERスイッチを押して、電源をオフにします。
注意
本機が動作中(再生中など)は、電源をオフにする、または電源コードを抜かないでください。データが破損したり、モニター機器から突然大きな音が出て、機器の破損や聴力障害の原因になるなどの可能性があります。
SHIFT ボタンを押しながら、0 [
輝度調節] ボタンを押して、ディスプレーとLEDの輝度を調節します。
このボタンを押すたびに、以下の順番で輝度が切り換わります。

本機で再生を行うには、フロントパネルのSDカードスロットにSDカードを挿入します。
メモ
電源がオン / オフどちらのときもSDカードを挿入することができます。
SDカードを正しい向きに挿入します。
ラベル面を上、端子部を奥にして挿入します。
電源をオフにするか、動作を停止してから、SDカードを取り出します。
注意
本機が動作中(再生中など)は、絶対にSDカードを取り出さないでください。データが破損したり、モニター機器から突然大きな音が出て、機器の破損や聴力障害の原因になるなどの可能性があります。
1.SDカードを軽く押し込むと手前に出てきます。
2.手でつまんでSDカードを引き出します。
本機で再生を行うには、フロントパネルのUSB FLASH DRIVE 端子にUSBメモリーを挿入します。
メモ
電源がオン / オフどちらのときもUSBメモリーを挿入することができます。
電源をオフにするか、動作を停止してから、USBメモリーを取り外します。
注意
本機が動作中(再生中など)は、絶対にUSBメモリーを取り出さないでください。モニター機器から突然大きな音が出て、機器の破損や聴力障害の原因になるなどの可能性があります。
誤操作防止のため、リモコンからの操作を受け付けないように設定することができます。
リモコンからの操作を受け付けるかどうかの設定は、 Menu 画面の IR Remote Lock 項目、および BT Remote Lock 項目で設定します。
(初期値: Unlock )
メモ
リモコンの受信設定が「Lock」のときにリモコンの各ボタンを押すと、ディスプレーに「IR Remote Locked」、または「BT Remote Locked」と表示されます。
リモコンの受信設定のオン / オフ設定は、電源をオフにしても保持されます。
SHIFT ボタンを押しながら1 [LOCK] ボタンを押すと、フロントパネルからのボタン操作を受け付けなくするパネルロック機能のオン / オフを設定することができます。
パネルロック中にフロントパネルの各ボタン(SHIFT ボタンを押しながら1 [LOCK]ボタンを押した場合を除く)を操作すると、ディスプレーに「 Panel Locked 」と表示します。
メモ
リアパネルのCONTRO I / O 端子、リモートコントロールアプリ、またはイーサネットからの外部コントロールについては、パネルロック中でも操作を受け付けます。
リモートコントロールアプリによる外部コントロールを行うには、別売りのBluetoothアダプター(TASCAM AK-BT2)が必要です。
イーサーネットからの外部コントロールを行うには、別売りのオプションカード(TASCAM IF-E100)が必要です。
リモコンからの操作については、パネルロック中でも操作を受付ます。ただし、 Menu 画面の IR Remote Lock 項目の設定によります。
パネルロック機能のオン / オフ設定は、電源をオフにしても保持されます。
本機で再生するソースを、本体またはリモコンのSOURCE ボタンを使って選択します。
1.SOURCE ボタンを押して、Source Select 画面を表示します。
2.SOURCE ボタンを押して使用するメディアを選択します。
SOURCE ボタンを押すたびに、以下の順で切り換わります。
Source Select 画面
|
|
|
[ カレントソース・切り換え順 ] |
メモ
本体のMULTI JOG ダイヤルを回すか、リモコンの
/
[
/
] ボタンでも選択することができます。
3.本体のMULTI JOG ダイヤル、またはリモコンのENTER ボタンを押して確定します。
4.ホーム画面のカレントメディア表示部に、選択したカレントソース名(USB / SD / BLUETOOTH / FM / AUDIO STREAM)を表示します。
メモ
USBメモリー、またはSDカードを再生中、または再生待機中にSOURCE ボタンを押すと、ディスプレーに「Now playing!」と表示されSourse Select画面を表示できません。再生を停止してから行ってください。
BLUETOOTHおよびAUDIO STREAMから他の入力ソースに切り換えたとき、切り換える前の入力ソースが再生中、または再生待機中であっても、停止しません。(Bluetoothの音声を聴くには、別売りのBluetoothアダプターTASCAM AK-BT2が必要です。)
カレントソースを切り換えても、再生モードの設定は消去されません。
SDカード / USBメモリーに収録されているオーディオファイルの再生機能を説明します。
以下の説明では、オーディオファイルが記録されたSDカード / USBメモリーが本機にセットされ、本機の電源がオンになっていて、カレントソースが適切に選択されていることを前提にしています。(→ 「再生するソースを選択する」)
本機では、以下の形式のファイルを再生することができます。
|
再生可能なファイル |
ファイル拡張子 |
|
AAC |
.m4a、.M4A |
|
MP3 |
.mp3、.MP3 |
|
WAV |
.wav、.WAV |
メモ
再生可能なサンプリング周波数やビットレートに関しては、巻末の「再生ファイル形式」を参照してください。(→ 「再生ファイル形式」)
本機のディスプレーには、半角のアルファベットと数字(ASCII文字)しか表示できません。ファイル名に日本語や中国語などのASCII文字以外の文字が使われている場合は、再生は可能ですが、ディスプレーに表示する際「 * 」に置換します。
MP3ファイルの認識は、ファイル拡張子「.mp3」で行います。ファイル名には、必ず拡張子「.mp3」を付けてください。拡張子「.mp3」のないMP3ファイルは本機では再生できません。また、ファイル名に拡張子「.mp3」が付いていても、MP3データ形式でないファイルは再生できません。
WAVファイルの認識は、ファイル拡張子「.wav」で行います。ファイル名には、必ず拡張子「.wav」を付けてください。拡張子「.wav」のないWAVファイルは、本機では再生できません。また、ファイル名に拡張子「.wav」が付いていても、WAVデータ形式でないファイルは再生できません。
999以上のファイルまたは50以上のフォルダーが記録されたメディアは、正常に再生できないことがあります。
メディアの状態によっては、本機で再生できない、または音が途切れることがあります。
SDカード / USBメモリーのトラックとフォルダーについて
本機は、SDカード / USBメモリー上の音楽ファイルを「トラック」として扱います。
SDカード / USBメモリーの中には、通常のパソコンのファイルの扱いと同じように、ファイルをフォルダーに収納しているものがあります。さらに、いくつかのフォルダーをまとめて1つのフォルダーに収めるといった、複数階層構造のものもあります。
各音楽ファイルは、トラック番号を付けて管理します。
トラック番号は、以下の順に割り当てられます。
1.各フォルダーについて再生可能なファイルに対してUNICODE 順でソートされます。フォルダーについても空フォルダー、再生可能なファイルが書き込まれていないフォルダーも含めUNICODE 順でソートされます。
2.ルートフォルダーに再生可能なファイルが存在する時、そのファイルから番号を割り当てます。
3.ルートフォルダーにある再生可能なファイルのすべてに番号が割り当てられると、その下階層にフォルダーがあればそのフォルダー内の再生可能なファイルに番号を割り当てます。
4.さらに下階層にフォルダーがある場合、そのフォルダー内の再生可能なファイルに番号を割り当てます。下階層にフォルダーがない場合、同一階層のフォルダーを検索し、フォルダーがある場合、そのフォルダー内に割り当ててゆきます。
SDカード / USBメモリーを連続再生すると、トラック番号順に再生されます。
フォルダーおよびファイルはUNICODE順にソートされます。
|
|
|
〈トラックとフォルダーの構成例〉 |
ホーム画面上で選択できる再生するトラックの範囲を「再生対象」と呼びます。
SDカード / USBメモリーでは、再生範囲をフォルダーに設定することができます。
SDカード / USBメモリー上に多数のファイルが記録されている場合など、選択範囲を限定することにより再生するトラック選択が容易になります。
カレントソースが USB / SD で、SHIFT ボタンを押しながら9 [P. AREA] ボタンまたはリモコンのP.AREAを押して、再生対象を設定します。
|
再生対象 |
フォルダー表示 |
内容 |
|
全て |
表示なし |
メディア内の全ファイルを再生します。 |
|
フォルダー |
表示 |
現在選択中のファイルが含まれているフォルダー内のファイルを再生します。 |
再生対象が「フォルダー」のとき、ホーム画面の右側に「
」アイコンを表示します

ここでは、再生 / 再生待機状態 / 停止などの基本操作について説明します。
以下の説明では、必要な接続を終え、本機の電源がオンになっていて、オーディオファイルが記録されたメディアをセットし、カレントソースが選択され、ディスプレーにホーム画面が表示されていることを前提にしています。
再生を始めるには、本体のPLAY ボタンまたはリモコンの
ボタンを押します。
再生を停止するには:
本体のSTOP ボタンまたはリモコンの
ボタンを押します。
リジューム機能がオンのときは、その場で停止し、トラック番号と時間情報はリジュームポイントを表示します。
リジューム機能がオフの時は、トラックの先頭で停止し、トラック経過時間は0:00:00を表示します。
表示情報の種類がトラック経過時間以外の場合は、その種類によって異なります。
再生を再生待機状態にするには:
本体のPAUSE ボタンまたはリモコンの
ボタンを押します。
カレントソースが、 USB / SD のとき、カレントソースの再生範囲内に複数のトラックが存在するときの選曲方法を説明します。
選曲方法には、前後のトラック番号に移動する方法(スキップ)とトラック番号を直接指定する方法があります。
本体のMULTI JOG ダイヤルを回す、またはリモコンの
/
[
/
] ボタンを押して、前後のトラックにスキップします。
トラックの再生途中で本体のMULTI JOG ダイヤルを反時計周りに回す、またはリモコンの
[
] ボタンを押すと、トラックの先頭へ戻り、トラックの先頭でMULTI JOG ダイヤルを反時計周りに回す、またはリモコンの
[
] ボタンを押すと、1つ前のトラックの先頭にスキップします。
トラックの先頭または途中で本体のMULTI JOG ダイヤルを時計周りに回す、またはリモコンの
[
] ボタンを押すと、次のトラックへスキップします。
トラックを選択したあと本体のPLAY ボタン、またはリモコンの
ボタンを押すと、トラックの再生が始まります。また、本体のPLAY ボタン、またはリモコンの
ボタンの代わりに本体のPAUSE ボタン、またはリモコンの
ボタンを押すと、選択したトラックの先頭で再生待機状態になります。
オートキュー機能の設定により、選択後の動作が変わります。(→ 「オートキュー機能」)
メモ
再生できるトラックは、再生対象内のファイルです。
再生中のファイル情報(曲名など)やトラック番号がディスプレーに表示されます。
トラックを移動したい場合には、本体のMULTI JOG ダイヤル、またはリモコンの
/
[
/
] ボタンを必要だけ回してください。
本体またはリモコンの数字ボタンを使って、トラック番号を直接指定することができます。
トラック番号は、最大3桁です。
1.本体またはリモコンの数字ボタンを使って、トラック番号を入力します。
トラック番号は、大きい桁の数字から順に入力します。
3桁で指定します。
例1 :トラック105の場合は、1
0
5を入力
例2 :トラック4の場合は、0
0
4を入力
2.本体のPLAY ボタンまたはリモコンの
ボタンを押します。
選択したトラックの再生が始まります。
本体のMULTI JOG ダイヤルまたはリモコンのENTER ボタンを押すことでも再生を始めることができます。
3.本体のSTOP ボタンまたはリモコンの
ボタンを押すと、トラック番号入力表示が消えて、もとの表示に戻ります。
メモ
番号を入れ間違えた場合は、CLEAR ボタンで入力内容を取り消すことができます。
再生中のトラック番号表示は、最大999までです。
ランダムモード時は、数字ボタンを使ったトラック指定ができません。
存在しないトラック番号は入力できません。
カレントソースが USB / SD で再生対象が「フォルダー(
アイコン表示)」のとき、指定したフォルダー(=カレントフォルダー)を再生対象にすることができます。
以下に説明する方法で再生するトラックを選び、そのトラックのあるフォルダーをカレントフォルダーとすることができます。
1.USB / SD をカレントソースに選択します。(→ 「再生するソースを選択する」)
2.再生対象を「フォルダー(
アイコン表示)」に設定します。(→ 「再生対象を設定する」)

3.本体のBACK/PAIRINGボタンまたはリモコンの
ボタンを押すと、トラック / フォルダーを選択するBROWSE表示になります。
ホーム画面の上段に現在のファイルのファイル名が表示され、アイコンが点滅状態になります。

メモ
トラック / フォルダー選択を中止するには、本体またはリモコンのCLEAR ボタンを押します。
音楽ファイルがないフォルダーを選択すると「 NO FILE 」と表示されますが、このときに本体のMULTI JOG ダイヤルを回す、またはリモコンの
/
[
/
] ボタンを押すと、現在選択されているファイルのファイル名が表示され、移動できなくなることがあります。この場合には、本体またはリモコンのCLEAR ボタンを押して選択を中止し、やり直してください。
4.本体のMULTI JOG ダイヤルを回す、またはリモコンの
/
[
/
] ボタンを押して、トラック / フォルダーを選択します。

5.
アイコンが点滅中にフォルダーを選択して本体のMULTI JOG ダイヤルまたはリモコンのENTER ボタンを押すと、1つ下の階層に移動します。

ヒント
1つ下の階層に移動するには、フォルダーを選択して本体のMULTI JOGダイヤルまたはリモコンのENTERボタンを押します。
1つ上の階層に移動するには、本体のBACK [PAIRING] ボタンまたはリモコンの
ボタンを押します。
6.
アイコンが点滅表示中にトラックを選択して、本体のPLAY ボタンまたはリモコンの
ボタンを押すか、再生中に本体のMULTI JOG ダイヤルまたはリモコンのENTER ボタンを押すと、選択したファイルの先頭から再生を開始します。このとき、オートキューおよびオートレディがオンでもこれらの機能は働きません。
本体のPAUSE ボタンまたはリモコンの
ボタンを押すか、再生待機中に本体のMULTI JOG ダイヤルまたはリモコンのENTER ボタンを押すと、選択したファイルの先頭で再生待機状態になります。オートキューがオンの場合、オートキュー機能が働きます。
停止中に本体のMULTI JOG ダイヤルまたはリモコンのENTER ボタンを押すと、選択したファイルの先頭で再生待機状態になります。
いずれの場合も、選択したトラックのあるフォルダーがカレントフォルダーになります。

メモ
フォルダー再生中にリピート再生を行うと、カレントフォルダー内のトラックをリピート再生します。
フォルダー再生中にランダム再生を行うと、カレントフォルダー内のトラックをランダム再生します。
本機には、3種類の再生モードがあります。
現在選択中の再生モードは、ホーム画面に表示します。
連続再生モード(初期設定)
再生対象内のトラックを、トラック番号順に再生します。
メモ
SDカード / USBメモリーで再生対象が「フォルダー(
アイコン表示)」のとき、再生中のフォルダー内のトラックを番号順に再生します。
シングル再生モード
選択したトラックを再生し、再生が終わると停止します。
ランダム再生モード
トラックの再生が終わった場合やスキップを行った場合などに、次のファイルを再生対象内の全トラックからランダムに選択して再生します。停止または再生待機状態にするまで繰り返し行います。ランダムに選択するため、同じトラックが連続して再生される場合もあります。
メモ
SDカード / USBメモリーで、再生対象が「フォルダー(
アイコン表示)」のとき、カレントフォルダー内の全トラックからランダムに選択して再生します。(→ 「フォルダー・トラック間の移動」)
SHIFT ボタンを押しながら3 [P. MODE] ボタンを押して、またはリモコンのP.MODE ボタンを押して、再生モードを切り換えます。
このボタンを押すたびに、再生モードが切り換わります。
|
表示 |
再生モード |
|
表示なし |
連続再生モード |
|
1 |
シングル再生モード |
|
RND |
ランダム再生モード |
|
|
|
[再生モード・シングル再生モード時の表示] |
|
|
|
[再生モード・ランダム再生モード時の表示] |
メモ
本取扱説明書では、特に断りがない限り再生モードの設定が連続再生モードに設定されている前提で説明を行います。
現在の再生モードがホーム画面に表示されます。
音声を聴きながらトラック内を早戻し / 早送りサーチすることができます。
1.希望のトラックを再生または再生待機状態にします。
2.本体の
/
[FAST] ボタンまたはリモコンの
/
ボタンを押し続けると、早戻し / 早送りが始まります。
3.サーチを止めるには、押し続けているボタンを放します。
サーチを始める前の状態(再生待機または再生)に戻ります。
メモ
早送り中にトラックの最後になった場合は、次のトラックにスキップし、その先頭からサーチを再開します。
早送りするトラックが最後のトラックの場合は、トラックの最後になったときに停止状態になります。
早戻し中にトラックの先頭になった場合は、前のトラックにスキップし、その最後からサーチを再開します。
早戻しするトラックが最初のトラックの場合は、トラックの最初になったときに再生待機状態になり、ボタンを放すと再生を始めます。
早戻し / 早送り中に、押し続けている
/
ボタンと反対方向の
/
ボタンを同時に押し続けると、高速での早戻し / 早送りサーチ状態となります。(本体のみ)
サーチ中はオートレディ機能は動作しません。
再生対象の全トラックを繰り返し再生する、またはトラック内の任意の区間を繰り返し再生(A-Bリピート再生)することができます。
リピート再生機能は、再生モード設定によって、動作が変わります。
リピート再生機能をオンにすると、以下の動作を行います。
|
再生モードの設定 |
内容 |
|
連続再生モード |
設定した再生対象の再生範囲内を繰り返し再生 |
|
シングル再生モード |
現在のトラックを繰り返し再生 |
リピート再生機能をオンにするには、SHIFT ボタンを押しながら4 [REPEAT] ボタンを押して、またはリモコンのREPEAT ボタンを押して、リピート機能をオン / オフに設定します。
リピート機能がオンのとき、ホーム画面に「 REP 」を表示します。
|
|
|
[再生モード・連続再生モード時の表示] |
|
|
|
[再生モード・シングル再生モード時の表示] |
メモ
リピート再生の設定は、電源をオフにしても保持されます。
再生モードがランダム再生モード( RND 表示)のときは、リピート再生機能をオンにできません。
トラック内の任意の区間(A-B)を指定して、繰り返し再生することができます。以下の手順でA-Bリピート再生を行います。
1.「USB」または「SD」をカレントソースに選択します。
2.再生待機中、または再生中にリピート再生区間の始点(A)にしたい位置で、SHIFT ボタンを押しながら5 [A-B REP] ボタンまたはリモコンのA-B REP ボタンを押します。
ホーム画面に「 A- 」を表示します。

3.リピート再生区間の終点(B)にしたい位置で、SHIFT ボタンを押しながら5 [A-B REP] ボタン、またはリモコンのA-B REP ボタンを押します。
ホーム画面に「 A-B 」を表示します。
これで設定した区間(A-B)が確定し、A-Bリピート再生が始まります。

メモ
本体のSTOP ボタン、またはリモコンの
ボタンを押して停止状態にすると、指定した区間(A-B)は消去されます。また、トラックを変える、またはカレントソースを変えても消去されます。
トラックを跨いでのA-Bリピート再生はできません。
A-Bリピートの設定は、電源をオフにすると保持されません。
オートキュー機能をオンにすると、トラックを選択したときに、トラック冒頭の無音部分をスキップしてトラックの実際の「信号」が立ち上がる位置で再生待機状態になります。そのため再生を始めた直後に音が出ます。
メモ
オートキュー機能がオンのときは、以下のように動作します。
本体またはリモコンの数字ボタンを使って、トラック番号を直接指定した場合は、通常通りトラックの先頭から再生します。本体のPAUSEボタン、またはリモコンの
ボタンを押して指定した場合は信号の立ち上がる位置で再生待機状態になります。
別売りのTASCAM RC-20を使ってファイルをダイレクト再生する場合も通常通りトラックの先頭から再生します。
パワーオンプレー機能がオンで電源をオンにした場合は、通常通りトラックの先頭から再生します。
リジューム機能がオンでリジュームポイントから再生する場合は、リジュームポイントから再生します。
トラックを選択した場合は、信号の立ち上がる位置で再生待機状態になります。
オートキュー機能をオンにするには、SHIFT ボタンを押しながら
[FAST][A.CUE] ボタンを押して、またはリモコンのA.CUE ボタンを押して、オートキュー機能をオン / オフに設定します。
オートキュー機能がオンのとき、ホーム画面右上に「 C 」を表示します。

オートキュー機能動作時におけるオーディオ信号検出のスレッショルドレベル(=オートキューレベル)を設定することができます。そのため、本機はオートキューレベル以上の信号を「信号」、オートキューレベル以下の信号を「無音」として扱います。
1.Menu 画面の Auto Cue Level 項目を選択し、Auto Cue Level 画面を表示します。(→ 「メニュー操作の手順」)

2.オートキューレベルを設定します。
|
選択肢: |
-24 dB、-30 dB、-36 dB、-42 dB、-48 dB、 |
選択したトラックで、オートキューレベル以上の信号が最初に出現するポイントが音声立ち上がりポイントとして認識されます。
3.設定を確定し、Menu 画面に戻ります。
メモ
オートキューレベル設定は、電源をオフにしても保持されます。
オートレディ機能をオンにすると、トラックの再生が終了した後、次のトラックの先頭で再生待機状態になります。
電源をオンにしたとき、リジューム機能がオフのときは最初のトラックの先頭で、オンの時はリジュームポイントで再生待機状態になります。
メディアを挿入したとき、または、ソースを切り換えてUSBまたはSDにしたとき、最初のトラックの先頭で再生待機状態になります。
メモ
オートキュー機能もオンになっている場合は、トラックの先頭ではなく、音の立ち上がり位置で再生待機状態になります。
パワーオンプレー機能がオンで電源を投入したとき、トラックを直接指定したとき、フォルダーモードでファイル移動をしたときは本機能は動作しません。
オートレディ機能をオンにするには、SHIFT ボタンを押しながら
[FAST][A.CUE] ボタンを押して、またはリモコンのA.READY ボタンを押して、オートレディ機能をオン / オフに設定します。
オートレディ機能がオンのとき、ホーム画面右上に「 R 」を表示します。

メモ
オートレディ機能のオン / オフ設定は、電源をオフにしても保持されます。
SDカード/USBメモリーを挿入すると再生待機状態になります。
コール機能をオンにすると、再生中に本体のSTOPボタンまたはリモコンの
ボタンを押したとき、最後に再生待機状態にしたポイント(コールポイント)に戻って再生待機状態になります。
コールポイントは、以下の操作を行うと消去されます。
電源を切る
カレントメディアを取り出す
カレントソースを切り換える
再生モードを切り換える
メモ
コール機能のオン / オフ設定は、電源をオフにしても保持されます。
本機では、ピッチ(音の高さと再生の速さ)を変えて再生することができます。
ピッチコントロールを行うには、以下の操作を行います。
1.PITCHボタンを押します。
ピッチコントロール画面を表示します。

2.本体のMULTI JOGダイヤルを回して(またはリモコンのPTICH[+]ボタン / PITCH[-]ボタンを使って)ピッチを設定します。
設定範囲:-16%~+16% (1%刻み)
3.本体のPITCHボタンを押して(またはリモコンのPITCH ON / OFFボタンを押して)ピッチコントロール再生機能をオン / オフします。
4.PITCHボタンを押してホームに戻ります。
ピッチコントロール機能がオンのとき、PITCH インジケーターが点灯し、現在のピッチの設定値が表示されます。

PITCHの設定値が、「0」の場合

メモ
リモコンからの操作では、ピッチコントロール画面を表示せずに設定値を設定したり、ピッチコントロール機能のオン / オフの切換えができます。
ピッチコントロール機能を使って再生スピードを変えたとき、通常はスピードの変化に伴って音程が変化します。
キーオリジナル機能をオンにすると、再生スピードを変えても音程が変化しません。
キーオリジナル機能のオン / オフ設定は、メニューを使って行います。
1.Menu 画面のKey Original 項目を選択し、 Key Original 画面を表示します。(→ 「メニュー操作の手順」)

2.キーオリジナル機能のオン / オフを設定します。
選択肢: OFF、ON( 初期値)
3.設定を確定し、 Menu 画面に戻ります。
メモ
キーオリジナル機能のオン / オフ設定は、電源をオフにしても保持されます。
SDカード / USBメモリーの再生を開始するときに「フェードイン」、「再生」を停止、または再生待機状態にするときに「フェードアウト」することができます。
フェードインタイムおよびフェードアウトタイム(何秒かけてフェードイン、フェードアウトを行うか)は、個別に設定できます。
トラックの再生が終わって次のトラックを再生するときはフェードイン/フェードアウトは効きません。
以下の場合、フェードアウトは働きません。
再生中にスキップするとき
再生中にトラックを直接指定して別のトラックを再生するとき
フォルダーモードで再生中にBrowse表示で別のトラックを指定して再生するとき
1.Menu 画面の Fade In 項目を選択し、Fade In 画面を表示します。(→ 「メニュー操作の手順」)

2.フェードイン時間を設定します。
選択肢: OFF、0.5秒 〜 10秒( 初期値: OFF、0.5秒刻み)
3.設定を確定し、Menu 画面に戻ります。
メモ
フェードイン時間は、電源をオフにしても保持されます。
1.Menu 画面の Fade Out 項目を選択し、Fade Out 画面を表示します。(→ 「メニュー操作の手順」)

2.フェードアウト時間を設定します。
選択肢: OFF、0.5秒 〜 10秒( 初期値: OFF、0.5秒刻み)
3.設定を確定し、Menu 画面に戻ります。
メモ
フェードアウト時間は、電源をオフにしても保持されます。
市販のタイマーなどを使って外部から本機に電源を投入することにより、希望のタイミングで本機を再生することができます。
1.あらかじめ、本機の電源をタイマーの電源出力から取るように接続します。
2.再生するカレントソースを選択します。(→ 「再生するソースを選択する」)
3.SHIFT ボタンを押しながら2 [P.O.PLAY] ボタンを押して、またはリモコンのP.O.PLAY ボタンを押して、パワーオンプレー機能をオンに設定します。(初期値:オフ)

4.本機のPOWERスイッチをオンの状態のまま、タイマー側で電源をオフにし、希望の時刻にタイマーがオンになるようにセットします。
希望の時刻になると本機の電源が入り、自動的に再生を始めます。
メモ
パワーオンプレー機能の設定がオンのとき、ホーム画面に P アイコンが表示されます。

パワーオンプレー機能のオン / オフ設定は、電源をオフにしても保持されます。
パワーオンプレー機能の設定がオンのときは、オートキュー機能、オートレディ機能の設定がオンの場合でも、パワーオンプレーの動作を優先し、起動時に自動的に再生を始めます。
リジューム再生機能をオンにすると、前回再生を停止または再生待機状態にした位置(リジュームポイント)から再生を開始することができます。
停止状態または再生待機状態のときに表示されているトラック、時間がリジュームポイントになります。
スキップなどでトラックを移動した場合、移動したところにリジュームポイントが更新されます。
リジュームポイントは、以下の操作を行うと消去されます。
メディアを取り出す
再生対象を切り換える
再生対象を切換えた場合、または再生モードをランダムに変えた場合に、リジュームポイントは消去されますが、再生するトラックは変わりません。このため、他のトラックを選択せずに再生ボタンを押すと、リジュームポイントのあったファイルの先頭から再生します。
リジューム再生機能のオン / オフ設定は、メニューを使って行います。
1.Menu 画面の Resume Setting 項目を選択し、 Resume Setting 画面を表示します。(→ 「メニュー操作の手順」)

2.リジューム再生機能のオン / オフを設定します。
選択肢: OFF 、 ON (初期値)
3.設定を確定し、 Menu 画面に戻ります。
メモ
リジュームポイントが存在しない(リジュームポイントとして登録されている時間が存在しない)場合は、再生対象のトラックの先頭がリジュームポイントになります。
リジューム再生機能のオン / オフ設定は、電源をオフにしても保持されます。
インクリメンタルプレー機能をオンにすると、再生中に本体のPLAY ボタンまたはリモコンの
ボタンを押したときに次のトラックの先頭から再生を行い、再生中に本体のSTOP ボタンまたはリモコンの
ボタンを押したときに次のトラックの先頭で再生待機状態になります。
1.Menu 画面の Inc. Play 項目を選択し、 Inc. Play 画面を表示します。(→ 「メニュー操作の手順」)

2.インクリメンタルプレー機能のオン / オフを設定します。
選択肢: OFF (初期値)、 ON
3.設定を確定し、 Menu 画面に戻ります。
メモ
インクリメンタルプレー機能オンのとき、再生待機中に本体のPLAY ボタンまたはリモコンの
ボタンを押すと、その位置から再生を開始します。
再生待機中に本体のSTOP ボタンまたはリモコンの
ボタンを押すと停止します。なお、最終トラックを再生中に本体のPLAY ボタンまたはリモコンの
ボタンを押すと再生対象の先頭のトラックから再生を行い、本体のSTOP ボタンまたはリモコンの
ボタンを押すと再生対象の先頭のトラックで再生待機状態になります。
インクリメンタルプレー機能のオン / オフ設定は、電源をオフにしても保持されます。
オートキュー機能がオンのときは、本体のSTOP ボタンまたはリモコンの
ボタンを押したとき、および、本体のPLAYボタンまたはリモコンの
ボタンを押したときのいずれの場合も、信号の立ち上がる位置で再生待機状態になります。
カレントソースが USB / SD のとき、本体のDISPLAY ボタンまたはリモコンのDISPLAY / RDS / INFO [PAIRING] ボタンを押すと、ホーム画面に表示される時間表示や文字情報の内容を選択することができます。
本体のDISPLAY ボタンまたはリモコンのDISPLAY / RDS / INFO [PAIRING] ボタンを押すたびに、表示情報の種類が切り換わります。
なお、カレントソースやセットしているメディアの種類や状態、および本機の動作状態によって、切り換わる表示情報の種類が異なります。
再生中 / 再生待機中、および停止中は、「トラック経過時間
再生中の曲のファイル名
再生中の曲のタイトル名
再生中の曲のアーティスト名
再生中の曲のアルバム名
フォルダー名
」の間で表示する情報を切り換えることができます。
|
表示 |
内容 |
|
表示なし |
トラック経過時間 |
|
時間表示の左に"−"表示 |
トラック残時間 |
|
FILE |
再生中の曲のファイル名 |
|
TITLE |
再生中の曲のタイトル名 |
|
ARTIST |
再生中の曲のアーティスト名 |
|
ALBUM |
再生中の曲のアルバム名 |
|
FOLDER |
フォルダー名 |
メモ
ディスプレーに表示できる文字情報は、MP3のID3タグ情報です。WAVおよびAACのタグ情報は表示できません。
これらの情報がファイルに記録されていない場合は、「 TITLE: 」や「 ARTIST: 」のあとに何も表示されません。
情報に表示できない文字が含まれている場合は、該当文字を「*」に置換して表示します。
表示内容の設定は、電源をオフにすると「表示なし」になります。
Macで書き込んだSDカード / USBメモリーでは、フォルダー内の曲数やトラック番号が一致しないことがあります。これは、Macシステムファイルに依存する問題ですが、本機での再生に影響はありません。
本機のBluetooth 機器接続端子に別売のBluetooth アダプター(AK-BT2)を接続すると、Bluetooth(A2DP)に対応したスマートフォン、タブレット、パソコンなど(Bluetooth機器)からの音声を出力することができます。
Bluetooth機器が、AVRCPに対応している場合は、本機のPLAY ボタンなどで、Bluetooth機器の再生をコントロールできます。
Bluetoothアダプター (AK-BT2) は、「Bluetooth アダプター(別売)の取付」を参照して、事前に取り付けてください。
本機でコントロールアプリ「TASCAM MEDIA CONTROL CENTER」を使用する場合は、別途、アプリとのBluetooth接続が必要です。(→ 「第6章 リモートコントロール機能」)
Bluetooth機器と通信を行うには、まず以下の手順でペアリングを行います。
メモ
ペアリングを行うには、Bluetooth機器の操作も必要です。
操作方法は、お使いのBluetooth機器の取扱説明書をご覧ください。
1.BLUETOOTH をカレントソースに選択します。(→ 「再生するソースを選択する」)
この時、「 No Connection 」と表示されていることを確認してください。
「 No Device 」が表示されている場合は、BluetoothアダプターAK-BT2が挿入されていないか正しく認識されていません。Bluetooth ADAPTER PORT にAK-BT2を正しく入れてください。
「 Need AK-BT2 」と表示されている場合、音声の出力に対応していないBluetoothアダプターAK-BT1が挿入されています。Bluetooth ADAPTER PORT にBluetoothアダプターAK-BT2を入れてください。
2.本体のBACK [PAIRING] ボタンまたはリモコンのDISPLAY / RDS / INFO [PAIRING] ボタンを押し続けます。
メッセージ「 PAIRING 」が点滅表示されます。

3.Bluetooth機器をBluetooth通信状態に設定します。
4.Bluetooth機器から、本機(MP-800U_----1))を選択します。
ペアリングに成功すると、ホーム画面に「 Connected 」と表示し、その機器と接続します。

1 「----」は、製品のシリアル番号
メモ
本機は1度ペアリングしたBluetooth機器の情報を記憶します。これにより、本機を起動した際にBluetooth機器を検索して自動で接続することが可能です。
記憶可能な台数の上限の台数は20台です。ペアリング情報が保持できない場合には本機を工場出荷状態に戻して、Bluetooth 機器の記憶情報をクリアしてください(→ 「出荷時の設定に戻す」)
他の機器と同時に接続はできません。1対1の接続で使用してください。
本機は、Bluetooth機器上に「MP800U_----」という名前で表示されます。「----」は製品のシリアル番号です。
これにより、機体の特定が可能です。
また、本機の名前はiOS / iPadOS / Android端末の機能2)を使って変更することができます。ただし、この名前は変更を行ったiOS・iPadOS / Android端末でのみ有効です。その他のBluetooth機器で表示される名前は変更されないことにご留意ください。
2 名称変更機能は各端末の操作方法をご確認ください。
古いBluetooth機器では、ペアリング時にパスキーを求められることがあります。その際は、「0000」を入力してください。
2分以内に接続が確立しない場合は、ペアリング動作を終了します。
本体の電源をオンにしたときに、自動的に前回接続したBluetooth機器に接続を試みます。このとき、対象のBluetooth機器の電源が入っていなかったり、Bluetoothがオフになっていいるなど、2分以内に接続できない場合はペアリングを中止します。
接続したBluetooth機器がAVRCPに対応している場合に、本体または付属のワイヤレスリモコン(TASCAM RC-MP800)で、Bluetooth機器のコントロールが可能です。
|
本体 |
リモコン |
動作 |
|
PLAYボタン |
|
再生 |
|
PAUSE ボタン |
|
再生待機状態 |
|
STOP ボタン |
|
停止(再生アプリによっては再生待機状態) |
|
MULTI JOG ダイヤルを回す |
|
トラック選択 |
|
|
|
早戻し / 早送りサーチ |
注意
接続したBluetooth機器によっては、正常に動作しない場合があります。
事前にBluetooth機器とのペアリングを行っておくことで、以下の操作でBluetooth機器から再生をすることができます。
1.BLUETOOTH をカレントソースに選択します。(→ 「再生するソースを選択する」)
2.Bluetooth機器からMP-800U_----を選択し接続します。
接続すると、ホーム画面に「 Connected 」を表示します。
これで、本体または付属のワイヤレスリモコン(TASCAM RC-MP800)で、Bluetooth機器のコントロール、および本機からBluetooth機器の再生音声出力が可能になります。
メモ
Bluetooth機器の再生中、再生待機中に本体のPLAYインジケーターおよびPAUSEインジケーターは点灯しません。
現在接続されているBluetooth機器とのBluetooth接続を解除します。
1.BLUETOOTH をカレントソースに選択します。(→ 「再生するソースを選択する」)
2.本体のBACK [PAIRING] ボタンまたはリモコンのDISPLAY / RDS / INFO [PAIRING] ボタンを押し続けます。
メッセージ「 Disconnect? 」が表示されます。

3.本体のMULTI JOG ダイヤルまたはリモコンのENTER ボタンを押すと、Bluetooth接続を解除します。
本体またはリモコンのCLEAR ボタンを押すと、Bluetooth接続の解除を取りやめます。
本機のBluetooth 機器接続端子に別売のBluetooth アダプター(AK-BT2)を接続すると、コントロールアプリ「TASCAM MEDIA CONTROL CENTER」を使って、iOS / iPadOS / Android 端末から本機を操作できます。
注意
Bluetooth 対応のすべての機器との接続動作を保証するものではありません。
Bluetooth 機能を使用した場合のデータ損失に関しては、弊社は一切の責任を負いかねます。
メモ
Bluetoothアダプター (AK-BT2) は、「Bluetooth アダプター(別売)の取付」を参照して、事前に取り付けてください。
Bluetooth アダプター(AK-BT2)の見通し通信距離は、約10mです。
(通信距離は目安です。周囲の環境や電波状況により通信距離は変わる場合があります。)
本機でBluetooth音声を使用する場合は、別途、Bluetooth機器とオーディオ(A2DP)のペアリング操作を行う必要があります。(→ 「第5章 Bluetooth機器の再生」)
1.端末をインターネットに接続してください。
2.Android 端末の場合は、Google Play から、iOS / iPadOS端末の場合は、App Store から「TASCAM MEDIA CONTROL CENTER」を検索し、ダウンロードおよびインストールしてください。
インターネット接続における通信費用は、お客様のご負担となりますのでご了承ください。
1.スマートフォン / タブレット端末のBluetooth 接続を有効にする。
2.スマートフォン / タブレット端末を操作して、TASCAM MEDIA CONTROL CENTER を起動する。
|
|
|
|
|
Bluetooth端末の画面 |
本機の電源を入れていない場合、本体の電源を入れる。
注意
Android 端末の場合、端末の位置情報の設定を「オン」にして、TASCAM MEDIA CONTROL CENTER の「位置情報の権限」を「許可」または「使用時のみ許可」に設定してください。
メモ
コントロールアプリの使用方法および対応OSについては、TASCAM MEDIA CONTROL CENTER の取扱説明書をご参照ください。
パスワード(初期値: なし)を設定します。
入力文字は、数字のみで最大11文字までです。
1.Menu 画面の BT Password 項目を選択し、 BT Password 画面を表示します。

2.本体またはリモコンの数字ボタンを使って、パスワードを入力します。
点滅している文字にカーソル(編集位置)があり、その位置に数値が入力されます。
カーソルを移動するにはMULTI JOGダイヤルを回すか、またはリモコンの
/
[
/
] ボタンを押します。
3.本体のMULTI JOGダイヤルまたはリモコンのENTERボタンを押して設定を確定し、 Menu 画面に戻ります。
メモ
パスワードの設定は、電源をオフにしても保持されます。
文字を削除するには、CLEARボタンを押します。カーソル(編集位置)より右側の数字が全て削除されます。
BACK [PAIRING] ボタンを押すと、設定を変更せずに Menu 画面に戻ります。
本機は、FMラジオを聴くことができます。
カレントソースに「 FM 」が選択されていることを前提にしています。(→ 「再生するソースを選択する」)
本体のSTOP ボタンまたはリモコンの
ボタンを押して、周波数選択モード(プリセット番号が表示されていない状態)とプリセットモード(プリセット番号が表示されている状態)を切り換えます。
プリセットモードのとき、ホーム画面に「 PXX 」を表示します。

受信周波数を上げるには
周波数選択モードで本体のMULTI JOG ダイヤルを時計回りに回す、またはリモコンの
[
] ボタンを押して、受信周波数を1ステップずつ上げます。
周波数選択モードで本体の
[FAST] ボタンまたはリモコンの
ボタンを押すと、受信周波数の高い方へオートサーチします。
受信周波数を下げるには
周波数選択モードで本体のMULTI JOG ダイヤルを反時計回りに回す、またはリモコンの
[
] ボタンを押して、受信周波数を1ステップずつ下げます。
周波数選択モードで本体の
[FAST] ボタンリモコンの
ボタンを押すと、受信周波数の低い方へオートサーチします。
SHIFT ボタンを押しながら8 [FM MODE] ボタンを押すたび、またはリモコンのFM MODE ボタンを押すたびに、ステレオ受信とモノラル受信が切り換わります。

STEREO(ステレオ、初期値)
FMステレオ放送をステレオで受信します。
受信状態が悪い場合は、 MONO (モノラル)で受信してください。
MONO(モノラル)
FM放送をモノラルで受信します。FM放送の受信状態が悪いときにこのモードを選ぶと、音はモノラルになりますがノイズが減少し、聴きやすくなります。
メモ
受信する周波数を変更すると、モノラル受信モードが自動的に解除されます。
ステレオで受信できない場合はモノラルで受信しますが、その時はSTEREO、MONOの表示はされません。
本機は、最大20局までプリセットすることができます。
メモ
プリセットした放送局は、プリセットしたメモリーを消去しないかぎり、電源をオフにしても保持されます。(→ 「プリセットしたメモリーを消去する」)
1.プリセットするカレントソース( FM )を選択します。(→ 「再生するソースを選択する」)
2.SHIFT ボタンを押しながら6 [A.PRESET] ボタンを押す、またはリモコンのPRESET ボタンを押し続けます。
ホーム画面に以下のメッセージが表示されます。

3.本体のMULTI JOG ダイヤルまたはリモコンのENTER ボタンを押すと、オートプリセットを開始します。

自動的に放送局を探して、プリセット01(P01)から順に放送局をセットします。プリセットが20を超えるか、受信周波数の範囲を探し終えると、オートプリセットを終了します。
1.プリセットするカレントソース( FM )を選択します。(→ 「再生するソースを選択する」)
2.プリセットしたい放送局を受信します。(→ 「受信周波数を変更する」)
3.SHIFT ボタンを押しながら7 [M.PRESET] ボタンを押す、またはリモコンのPRESET ボタンを押します。
ホーム画面上段の「 P01 」が点滅します。

メモ
「 P01 」点滅は、一定時間を過ぎると消えます。
「 * 」が表示されているときは、そのプリセット番号には、すでにプリセットが、登録されています。
4.本体のMULTI JOG ダイヤルを回す、またはリモコンの
/
[
/
] ボタンを押して、プリセットする番号を選択します。
5.本体のMULTI JOG ダイヤルまたはリモコンのENTER ボタンを押して、プリセットを確定します。
プリセットモードのときに本体のMULTI JOG ダイヤルを回す、またはリモコンの
/
[
/
] ボタンを押して、プリセットした放送局を選びます。
本体またはリモコンの数字ボタンを使って、プリセット番号を直接入力してからENTER ボタンを押すことで放送局を選択することもできます。
1.メモリーを消去するカレントソース( FM )を選択します。(→ 「再生するソースを選択する」)
2.本体またはリモコンのCLEAR ボタンを押し続けます。
ホーム画面に以下のメッセージが表示されます。
|
|
|
[FM局のプリセット消去時] |
3.本体のMULTI JOG ダイヤルまたはリモコンのENTER ボタンを押します。
カレントソースの全てのプリセットしたメモリーを消去し、ホーム画面に戻ります。
メモ
本体またはリモコンのCLEAR ボタンを押すと、プリセットしたメモリーの消去を取り消しホーム画面に戻ります。
チューナーの放送音声をTUNER OUT端子のみから出力、または本機の全出力端子(TUNER OUT端子 / ANALOG OUT端子 / PHONES端子)から出力するかを設定することができます。
1.Menu 画面の Tuner Out Sel. 項目を選択し、 Tuner Out Sel. 画面を表示します。(→ 「メニュー操作の手順」)

2.チューナーの音声の出力先を設定します。
|
選択肢 |
内容 |
|
TUNER OUT |
チューナーの放送音声をTUNER OUT端子からのみ出力します。 |
|
ALL (初期値) |
チューナーの放送音声を本機の全出力端子(TUNER OUT端子 / ANALOG OUT端子 / PHONES端子)から出力します。 |
3.設定を確定し、 Menu 画面に戻ります。
メモ
チューナーの音声の出力先設定は、電源をオフにしても保持されます。
本機にパソコンをUSB ケーブルで接続することで、USB オーディオを本機から出力することができます。
本機のUSB AUDIO STREAM 端子とパソコンを接続してください。
注意
パソコンとの接続は、USBハブを経由せずに直接接続してください。
本機で再生する音声をパソコンに送ることはできません。
メモ
USB Flash Drive 端子とパソコンを接続しても音声を出力することはできません。
お使いのパソコン、およびOSに合わせて、本機とパソコンを接続するUSB ケーブルを選択し、本機とパソコンのUSB 2.0、またはUSB3.0 ポ ートに接続してください。
本機とパソコン( Windows / Mac )を接続する 場合、別途USB ケーブルを用意する必要があります。
USBケーブルの抜き差しは、本体の電源がオフの状態でおこなうことを推奨します。
1.パソコンの電源をオンにする。
OSが正常に起動できたことを確認してください。
2.POWERスイッチを押して電源をオンにする。
3.AUDIO STREAM をカレントソースに選択します。
4.パソコンで音楽ファイルの再生を開始する。
本機にヘッドホンを接続して使用する場合は、ヘッドホンを接続後、PHONESつまみを反時計回りに回して音量を最小にしてからヘッドホンを装着し、音量を徐々に大きくして調整してください。
パソコンから本機をコントロールしたり、本機からパソコンをコントロールすることはできません。
USB 接続で音楽ファイルを再生しているときに、 以下の操作を行わないでください。パソコンの誤動作の原因となります。これらの操作は必ず音楽再生ソフトを終了してから行ってください。
USBケーブルを抜く
本機の電源をスタンバイ、またはオフにする
本機の入力を切り換える
音楽再生ソフトを起動した後で本機とパソコンを接続したり、本機の入力カレントソースを「AUDIO STREAM」に設定した場合は、音楽ファイルが正しく再生できないことがあります。この場合は、音楽再生ソフトを再起動するか、パソコンを再起動してください。
オートパワーセーブ機能をオンにすると、以下の状態が続いたときスタンバイ状態になります。
カレントソースが USB / SD のとき、停止状態または再生待機状態が30分間続いたとき。
カレントソースが BLUETOOTH のとき、ペアリングされていない状態が30分間続いたとき。
カレントソースが AUDIO STREAM のとき、入力信号の有無にかかわらず使用時間が8時間続いたとき。
メモ
カレントソースが FM のときは、オートパワーセーブ機能がオンになっていても、スタンバイ状態になりません。
1.Menu 画面の APS Setting 項目を選択し、 APS Setting 画面を表示します。(→ 「メニュー操作の手順」)

2.オートパワーセーブ機能のオン / オフを設定します。
選択肢: OFF (初期値)、 ON
3.設定を確定し、 Menu 画面に戻ります。
スタンバイ状態から復帰するには、何れかのボタンを押します。
メモ
スタンバイ状態でPOWERスイッチを押すと、電源がオフになります。スタンバイから復帰する場合は他のボタンを押してください。
本機の出力先の機器にて最大出力レベル時に音が歪む場合は、本機のアナログ出力レベル調節機能、およびチューナー出力レベル調節で出力レベルを絞ることで音が歪まないように調節することができます。
メモ
アナログ出力レベルを絞るとヘッドホンの出力レベルも連動して下がります。
1.アナログ出力レベルを調節する場合は、Menu 画面の A.Out Att. 項目を選択し、 A.Out Att. 画面を表示します。
チューナー出力レベルを調節する場合は、 Tuner Out Att. 項目を選択し、 Tuner Out Att. 画面を選択します。


2.アナログ出力、またはチューナー出力のレベルを設定します。
選択肢: OFF 、 -0.5dB 〜 -18dB (初期値: OFF 、0.5 dB刻み)
3.設定を確定し、 Menu 画面に戻ります。
メモ
アナログ出力レベルを調節するとANALOG OUT(UNBALANCED)L / R端子、ANALOG OUT(BALANCED)L / R端子およびPHONES端子の出力のレベルが変わります。個別に設定することはできません。
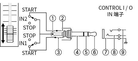
コントロールIN / OUT端子に外部機器を接続することで、再生 / 再生待機状態 / 停止を外部からコントロールしたり、PLAY / PAUSE / STOPのタリーを出力することができます。
IN / OUT各TRS端子のTIPがIN1 / OUT1、RINGがIN2 / OUT2になります。
IN1、IN2、OUT1、OUT2の機能を各々設定することができます。
外部のフェーダースイッチを接続することにより、フェーダースタート / ストップが可能になります。
フェーダースイッチとφ3.5 mmミニプラグを下記のように配線し、φ3.5 mmミニプラグを本機のリアパネルのCONTROL IN端子に接続します。

|
|
|
|
|
|
|
|
|
|
|
|
IN1をフェーダースタートに使用する場合
再生待機中にSTART側(メーク)にすると再生を開始します。
再生中にオープン(ブレーク)になると再生待機状態になります。インクリメンタルプレー機能がオンのときは、次のトラックの先頭で再生待機状態になります。コール機能がオンの時は最後に再生待機状態にしたポイント(コールポイント)に戻って再生待機状態になります。
IN2を使用する場合は、RINGで同様の結線を行ってください。
1.Menu 画面の Control I / O 項目を選択し、 Control I / O 画面を表示します。(→ 「メニュー操作の手順」)

2.Control I / O 画面で、設定したい端子(IN1 / IN2)を選択し、各端子の設定画面を表示します。

3.FADERに設定します。
選択肢: OFF (初期値)、 FADER、PLAY、STOP、PAUSE
4.設定を確定し、 Menu 画面に戻ります。
CONTROL I / OのIN端子を使って、本機を再生、再生待機状態、停止させることができます。
IN端子は、外部コマンド受信アクティブロー(グランド30 ms以上)で動作します。
IN1を使うにはCONTROL IN端子のTIPに、IN2を使うにはRINGに接続してください。また、SLEEVEにはグランドを接続してください。
1.Menu 画面の Control I / O 項目を選択し、 Control I / O 画面を表示します。(→ 「メニュー操作の手順」)

2.Control I / O 画面で、設定したい端子(IN1 / IN2)を選択し、各端子の設定画面を表示します。

3.使いたい機能を設定します。
選択肢: OFF (初期値)、FADER、PLAY、STOP、PAUSE
FADERについては、 「フェーダースタート / ストップ」を参照。
4.設定を確定し、 Menu 画面に戻ります。
CONTROL I / OのOUT端子を使って、本機の再生、再生待機状態、停止の状態をタリー出力させることができます。
OUT端子はオープンコレクタによるトランスポートステータス表示用信号(出力インピーダンス10 Ω、耐圧15 V、最大電流35 mA)です。
OUT1はCONTROL OUT端子のTIPに、OUT2はRINGに出力されます。SLEEVEにはグランドを接続してください。
1.Menu 画面の Control I / O 項目を選択し、 Control I / O 画面を表示します。(→ 「メニュー操作の手順」)

2.Control I / O 画面で、設定したい端子(OUT1 / OUT2)を選択し、各端子の設定画面を表示します。

3.使いたい機能を設定します。
選択肢: OFF (初期値)、Play Tally、Stop Tally、Pause Tally
4.設定を確定し、 Menu 画面に戻ります。
メモ
予備動作(ファイルの読み込み中など)は、出力されません。
別売りのRC-20を接続することで、USB / SD上のトラックをダイレクト再生することができます。
USBまたはSD上のASCII順で1番目から20番目のトラックをRC-20のキーを使って直接再生を始めることができます。
1.「 USB 」、または「 SD 」をカレントソースに選択します。
2.RC-20のテンキーを押します。
そのキーに割り当てられたトラックが再生されます。
3.STOPボタンを押すと再生を停止します。
本機のシステムファームウェアバージョンとシリアル番号を確認することができます。
1.Menu 画面の Information 項目を選択し、Information確認画面を表示します。(→ 「メニュー操作の手順」)

Information確認画面には、メインシステムとサブシステムのファームウェアバージョン情報とシリアル番号が表示されます。
本体のMULTI JOG ダイヤルを回し、またはリモコンの
/
[
/
] ボタンを押してMAINとSUBおよびS/Nを切り換えて表示します。

2.本体のMULTI JOG ダイヤルまたはリモコンのENTER ボタンを押して、設定を確定し Menu 画面に戻ります。
本機のバックアップメモリーに保存されている各設定情報を工場出荷時の状態に戻すことができます。
以下のメニュー操作を行います。
1.Menu 画面の Factory Preset 項目を選択します。(→ 「メニュー操作の手順」)
2.本体のMULTI JOG ダイヤルまたはリモコンのENTER ボタンを押します。
確認メッセージが表示されます。

メモ
中止するには、本体のCLEAR ボタンを押します。
3.再度本体のMULTI JOG ダイヤルまたはリモコンのENTER ボタンを押して、実行してください。
「Please power off」が表示されたら、電源を一度切り、再度入れなおしてください。工場出荷時の状態に戻ります。
本機の動作がおかしいときは、修理を依頼する前にもう一度、下記の点検を行ってください。
それでも改善しないときは、お買い上げの販売店またはティアック修理センター(巻末に記載)にご連絡ください。
電源が入らない。
電源プラグなどがしっかりと差し込まれているか確認してください。
メディアを認識しない。
SDカード / USBメモリーがしっかりと挿入されているか確認してください。
再生や録音を一度停止してください。
本体で操作できない。
ロック機能がオンになっていませんか?
リモコン(TASCAM RC-MP800)から操作できない。
リモコンの受信の設定が「 Lock 」になっていませんか?
リモコンの電池が入っていないか、消耗していませんか?
再生できない。
WAVファイルの場合は、本機が対応しているサンプリング周波数(44.1k / 48kHz)と量子化数(16 / 24ビット)であるかどうかを確認してください。
MP3ファイルの場合は、本機が対応しているサンプリング周波数(44.1k / 48kHz)とビットレート(32kbps~320kbpsまたはVBR)であるかどうかを確認してください。
SDカード / USBメモリーにて、全曲再生できない。
フォルダー再生モードになっていませんか?
Processingと表示されて操作を受け付けない
本体の処理が進行中のため、一時的に操作を受け付けない場合があります。この際、ディスプレーには「Processing」と表示されます。
この表示は約3秒間続いた後に消えます。元の表示に戻ったことを確認して、もう一度操作を試みてください。
音が出ない。
モニターシステムとの接続をもう一度確認してください。また、アンプの音量を確認してください。
雑音がする。
接続ケーブルが接触不良になっていないか、確認してください。
ディスプレーが表示されない / 暗い。
ディスプレーの輝度設定が「暗い」状態になっていませんか?(→ 「ディスプレーの輝度を調節する」)
音が途切れる、または雑音がする。
無線LANや他のBluetooth機器、電子レンジなどが近くにありませんか?
なるべくそれらの機器から離してご使用ください。
Bluetooth機器と本機の距離を近付けてご使用ください。また、Bluetooth機器や本機の位置を変えてください。
スマートフォンで音楽再生以外のアプリケーションが動作している場合は音が途切れる場合があります。その場合は音楽再生以外のアプリケーションの動作を止めてください。
パソコンの負荷が原因で音切れやノイズが発生する場合があります。パソコンの負荷を軽減させてください。
接続ができない、あるいは、通信が途切れる。
Bluetooth機器の電源が入っているか、Bluetoothがオンになっているか確認してください。
Bluetooth 機器との距離が離れすぎていませんか?
あるいは、間に壁や障害物などでさえぎられていませんか?
Bluetooth機器が本体の後面側にある場合、本機自身でさえぎっていることも考えられます。
Bluetooth機器や本機の位置を変えてください。
本機の電源を切り、再度本機の電源をオンにしてください。
Bluetooth 機器の「MP-800U_----」の登録を解除し「Bluetooth機器とのペアリングを行う」の操作を行ってください。
ペアリングができない。
接続したいBluetooth機器がA2DPおよびAVRCPに対応しているか確認してください。
接続したいBluetooth機器の通信が可能な状態になっているか確認してください。詳しくは、お使いのBluetooth 機器の取扱説明書をご確認ください。
本機とBluetooth機器の電源を一度切り、再び電源を入れてペアリングを試してください。
ペアリングしようとするBluetooth機器以外のBluetooth機器の電源を切ってください。
Bluetooth機器側の「MP-800U_----」の登録を一度削除したあと、再度ペアリングしてください。
ラジオを受信できない、あるいは受信状態が悪い。
放送局を選局してください。
受信状態が悪いときは、アンテナを張り直してみてください。
テレビが近くにあるときは、テレビの電源をオフにしてください。
鉄筋コンクリートの建物の中や地下室などでは、受信状態が悪くなります。本体やアンテナを建物の外に面した窓際などに設置してください。
FM放送受信がステレオ放送なのにモノラルになる
FMモードの設定がモノラル受信になっていませんか?
メディアを切り換えて再生しても、ラジオの音声が出力される。
TUNER OUT端子にケーブルを接続していませんか?「TUNER OUT」端子は常にラジオ音声を出力します。USB、SD、PCなど他の音源を再生する場合は、「ANALOG OUT」端子をご使用ください。
本機を接続したがパソコンに認識されない
本機は、USB 1.1では動作しません。USB 2.0またはUSB 3.0以上のポートをご使用ください。
本機の接続は、USBハブはご使用にならずに、必ずパソコン本体のUSBポートに接続してください。
上記の方法で解決しない場合、パソコン本体の別のUSBポートに接続してください。
パソコンで再生しても本機から音声が出力されない
本機をパソコンに接続した状態で、下記をご確認ください。
なお、以下の設定を行うと本機経由で音は出ますが、パソコンのスピーカーやヘッドホン端子からは音が出なくなります。
Windows の場合
1.ご使用のOSに適した設定方法で「サウンド」画面を開きます。
2.「再生」タブ画面の「MP-800U」を右クリックし、表示されたポップアップメニュー内の「既定のデバイスとして設定」をクリックします。
このとき、緑のチェックマーク(
)が選択したデバイスに移動します。
3.設定が終了したら、「OK」ボタンをクリックします。
4.オーディオアプリケーションを起動し、オーディオファイルの再生を行ってください。
オーディオアプリケーションを起動した状態で設定を行った場合は、オーディオアプリケーション側でデバイスの切り換えが認識されません。この場合、オーディオアプリケーションを再起動してください。
上記設定 / 操作を正しく行っても音が出ない場合は、USBケーブルを抜いてパソコンを再起動してください。
Macの場合
1.全てのアプリケーションを終了し、アップルメニューより「システム環境設定...」画面を開きます。
2.「サウンド」を開きます。
3.「出力」タブから「MP-800U」を選択します。
上記の設定が完了後、パソコンを再起動し、再生音をご確認ください。また、お使いのアプリケーションによっては、上記とは別にデバイス設定を行う必要がある場合があります。
お使いのアプリケーションの詳しい設定方法については、各取扱説明書をご参照ください。
動作が不安定になるときがある
Windows を使用している場合において、電源管理設定により動作が不安定になる場合がございます。
その場合は、以下をお試しください。
1.ご使用のOSに適した設定方法で「コントロールパネル」を開きます。
2.「ハードウェアとサウンド」をクリックします。
3.「電源オプション」をクリックします。
4.「電源プランの選択」で「高パフォーマンス」を選択します。
メモ
項目が表示されていない場合は、「追加のプランを表示」の下向きの三角ボタンを選択して表示します。もしくは、「電源プランの作成」をクリックしてください。
対応メディア
|
SDカード |
(512 MB〜2 GB) |
|
SDHCカード |
(4 GB〜32 GB) |
|
SDXCカード |
(64 GB 〜512 GB) |
|
USBメモリー |
(512 MB〜512 GB) |
メディアは、FAT16またはFAT32、もしくはexFATでフォーマットされている必要があります。
|
WAV: |
44.1 k / 48 kHz、16 / 24 bit (LPCM) |
|
MP3: |
44.1 k / 48 kHz、32 k / 64 k / 96 k / 128 k / 192 k / 256 k / 320 kbps、VBR |
|
AAC: |
44.1 k / 48 kHz、32 kbps ~ 320 kbps、 |
最大ファイルサイズ:4 GB
最大ファイル数:999(フォルダーを含む)
再生可能フォルダー階層:16
(ただしフルパスがファイル名を含み260字以内)
チャンネル数
2チャンネル(ステレオ)
1チャンネル(モノラル)
ANALOG OUTPUTS(BALANCED)端子
コネクター:XLR-3-32(1:GND、2:HOT、3:COLD)
規定出力レベル:
+4 dBu(1.23 Vrms、アナログ出力レベル設定: OFF 時)
最大出力レベル:
+20 dBu(7.75 Vrms、アナログ出力レベル設定: OFF 時)
出力インピーダンス:100 Ω
ANALOG OUTPUTS(UNBALANCED)端子
コネクター:RCAピンジャック
規定出力レベル:
-10 dBV(0.316 Vrms、アナログ出力レベル設定: OFF 時)
最大出力レベル:
+6 dBV(2.0 Vrms、アナログ出力レベル設定: OFF 時)
出力インピーダンス:210 Ω
TUNER OUTPUTS(UNBALANCED)端子
コネクター:RCAピンジャック
規定出力レベル:
-10 dBV(0.316 Vrms、DAC -16 dBFS出力時、チューナー出力レベル設定: OFF 時)
最大出力レベル:
+6 dBV(2.0 Vrms、DAC 0 dBFS出力時、チューナー出力レベル設定: OFF 時)
出力インピーダンス:210 Ω
PHONES端子
コネクター:φ6.3 mm(1 / 4”)ステレオ標準ジャック
最大出力:20 mW + 20 mW以上(THD+N 0.1 %以下、32 Ω負荷)
0 dBu = 0.775 Vrms、0 dBV = 1 Vrms
REMOTE端子
|
コネクター: |
2.5 mmTRSジャック (TIP: Signal1、RING: Singal2、SLEEVE: GND) |
CONTROL I / O端子
|
INコネクター: |
3.5 mmTRSジャック (TIP: IN1、RING: IN2、SLEEVE: GND) 外部コマンド受信アクティブロー |
|
OUTコネクター: |
3.5 mmTRSジャック (TIP: OUT1、RING: OUT2、SLEEVE: GND) オープンコレクタ |
USB FLASH DRIVE端子
コネクター:USB Aタイプ 4ピン
規格:USB2.0 HIGH SPEED(480 Mbps)
デバイスクラス: マスストレージクラス
USB AUDIO STREAM端子
コネクター:USB Type-C
規格:USB 2.0 HIGH SPEED(480Mbps)
|
デバイスクラス: |
USB オーディオクラス 2.0 |
Bluetooth 機器接続端子
Bluetooth アダプター(AK-BT2)専用
周波数特性
|
20 Hz – 20 kHz: |
+0.5/-1.0 dB (SD / USB再生時 |
歪率
0.005 %以下
(SD / USB再生時
アナログ出力、JEITA)
S / N比
95 dB以上
(SD / USB再生時
アナログ出力、JEITA)
ダイナミックレンジ
95 dB以上
(SD / USB再生時
アナログ出力、JEITA)
チャンネルセパレーション
95 dB以上
(SD / USB再生時
アナログ出力、1kHzサイン波、JEITA)
受信周波数
FM:76.0 MHz~108.0 MHz
アンテナ端子
コネクター:F型ジャック
最新の対応OS状況については、TASCAMのウェブサイトをご確認ください。
TASCAM MEDIA CONTROL CENTERアプリの対応OS状況については、TASCAM MEDIA CONTROL CENTERの取扱説明書を参照ください。
https://tascam.jp/jp/product/mp-800u/spec#osmedia
注意
各OSでの動作確認は、下記のシステム条件を満たす標準的な環境での結果になります。
下記の条件を満たす環境であっても動作を保証するものではありません。
Windows
対応OS
Windows 11
Windows 10 64 bit
対応パソコン
USB 2.0、または USB 3.0 ポートを装備した Windows 対応パソコン
CPU / クロック
デュアルコアプロセッサー 2 GHz 以上 (x86)
メモリー
2 GB以上
Mac
対応OS
macOS 15 Sequoia
macOS 14 Sonoma
macOS 13 Ventura
対応パソコン
USB 2.0 以上を装備したMac
CPU / クロック
デュアルコアプロセッサー 2 GHz 以上
メモリー
2 GB以上
電源
AC 100-240 V、50-60 Hz
消費電力
14 W
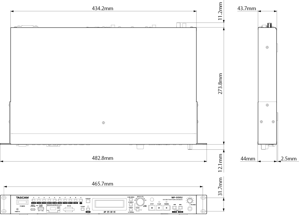
外形寸法
482.8 x 46.5 x 297.1 mm(幅 x 高さ x 奥行き、突起部を含む)
質量
2.7 kg
動作温度
0〜40℃

取扱説明書のイラストが一部製品と異なる場合があります。
製品の改善により、仕様および外観が予告なく変更することがあります。
|
1025.MA-3977C |